LEMON Manuals: Even more car manuals for everyone
Home >> Jeep >> 2013 >> Compass Limited, AWD, Trans Mfr CD CVT2 >> Repair and Diagnosis >> External Pages >> Different car >> Section 178 (Communication - Non-DTC Based Diagnostics) >> Diagnosis And Testing >> No Response From Pcm (Powertrain Control Module) (Diesel) >> Notes

No Response From Pcm (Powertrain Control Module) (Diesel): Notes

WARNING: This page is about a different car, the 2012 Jeep Liberty. However, it is still accessible from the selected car via links, so may be relevant.
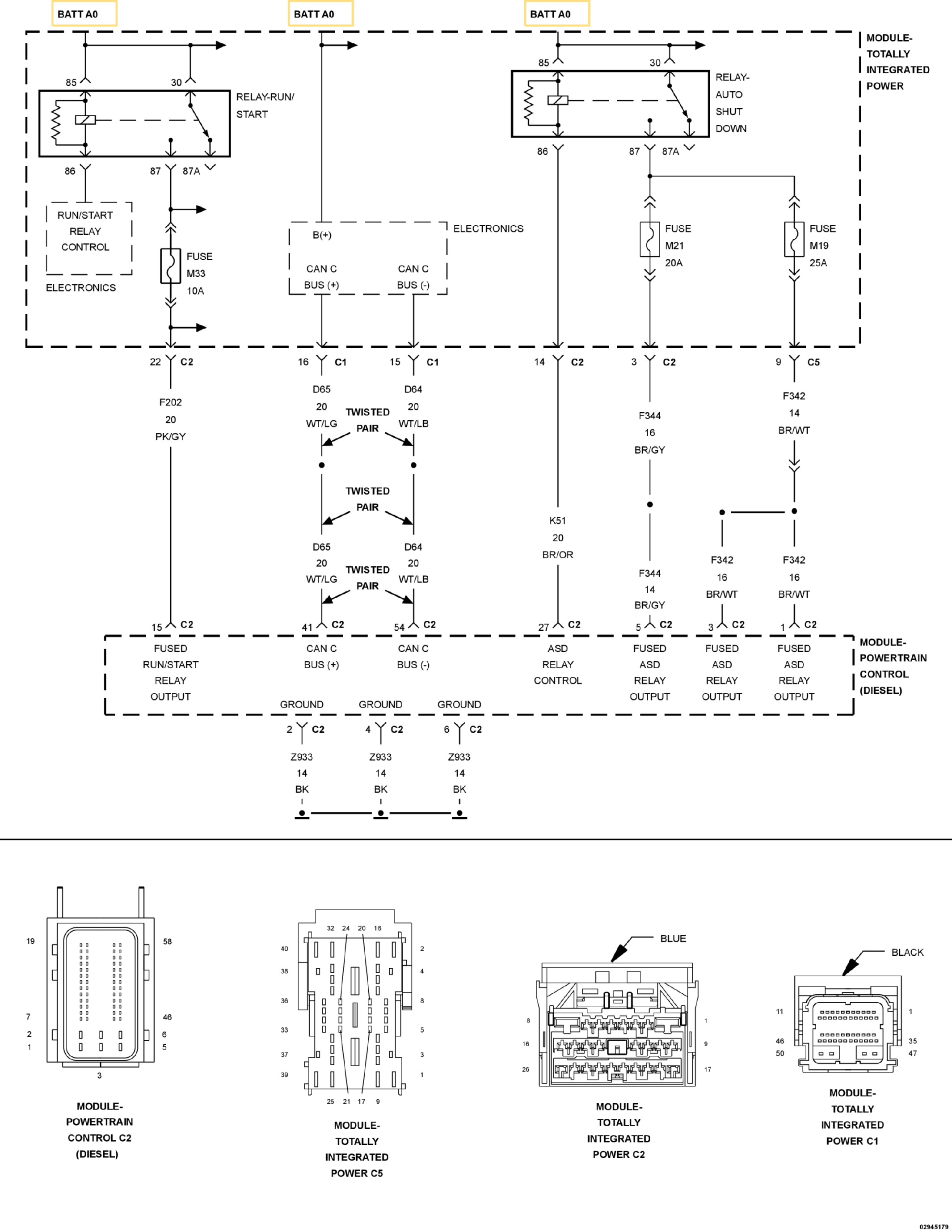
Fig 1: PCM (Powertrain Control Module) Wiring Diagram
GC0151756Courtesy of CHRYSLER GROUP, LLC

For a complete wiring diagram, refer to appropriate SYSTEM WIRING DIAGRAMS article  .