LEMON Manuals: Even more car manuals for everyone
Home >> Jeep >> 2013 >> Compass Limited, AWD, Trans Mfr CD CVT2 >> Repair and Diagnosis >> Body & Frame >> Windows >> Power Windows - Non-DTC-Based Diagnostics >> Diagnosis And Testing >> Diagnosis And Testing - Rear Window Motor Inoperative >> Notes

Diagnosis And Testing - Rear Window Motor Inoperative: Notes

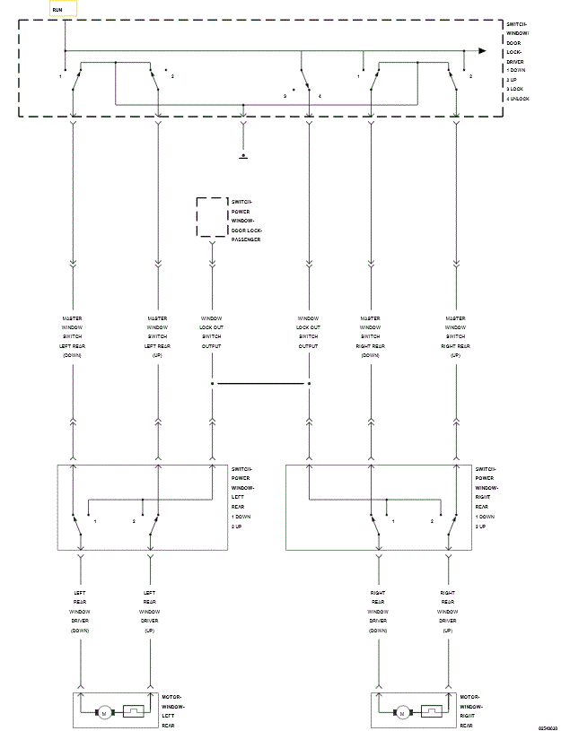
Fig 1: Power Window System Circuit Schematic
GC0098309Courtesy of CHRYSLER GROUP, LLC

For a complete wiring diagram, refer to appropriate SYSTEM WIRING DIAGRAMS article  .

NOTE:

The graphics in this test show the Left Rear connectors, the Right side connectors are similar, refer to the Wiring Information for the connector pinouts.