LEMON Manuals: Even more car manuals for everyone
Home >> Jeep >> 2012 >> Compass Limited, AWD, Standard >> Repair and Diagnosis >> External Pages >> Different car >> Section 688 (Electronic Control Modules (Service Information)) >> Module, Powertrain Control (Pcm) >> Removal

Module, Powertrain Control (Pcm): Removal

WARNING: This page is about a different car, the 2020 Chrysler 300 and 2019 Chrysler 300. However, it is still accessible from the selected car via links, so may be relevant.
  1. Disconnect and isolate the negative battery cable.
  2. Remove the cowl plenum cover/grille panel from over the wiper module. Refer to COVER, COWL PANEL, REMOVAL .
    GC0144877Courtesy of CHRYSLER GROUP, LLC
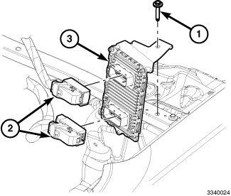
  3. Remove the Powertrain Control Module (PCM) retaining bolt (1).
  4. Disconnect the PCM electrical connectors (2).
  5. Remove the PCM (3) from the vehicle.
    GC0144878Courtesy of CHRYSLER GROUP, LLC
  6. If required, remove the noise plug (3) from the PCM (4).
  7. If required, remove the PCM mounting bracket (1) retaining nuts (2) and remove the bracket.