LEMON Manuals: Even more car manuals for everyone
Home >> Jeep >> 2012 >> Compass Limited, AWD, Standard >> Repair and Diagnosis >> External Pages >> Different car >> Section 141 (Drivetrain Control Module (DTCM) - Electrical Diagnostics) >> DTC Troubleshooting >> C1464-Front Axle Disconnect Control Circuit Low >> Notes

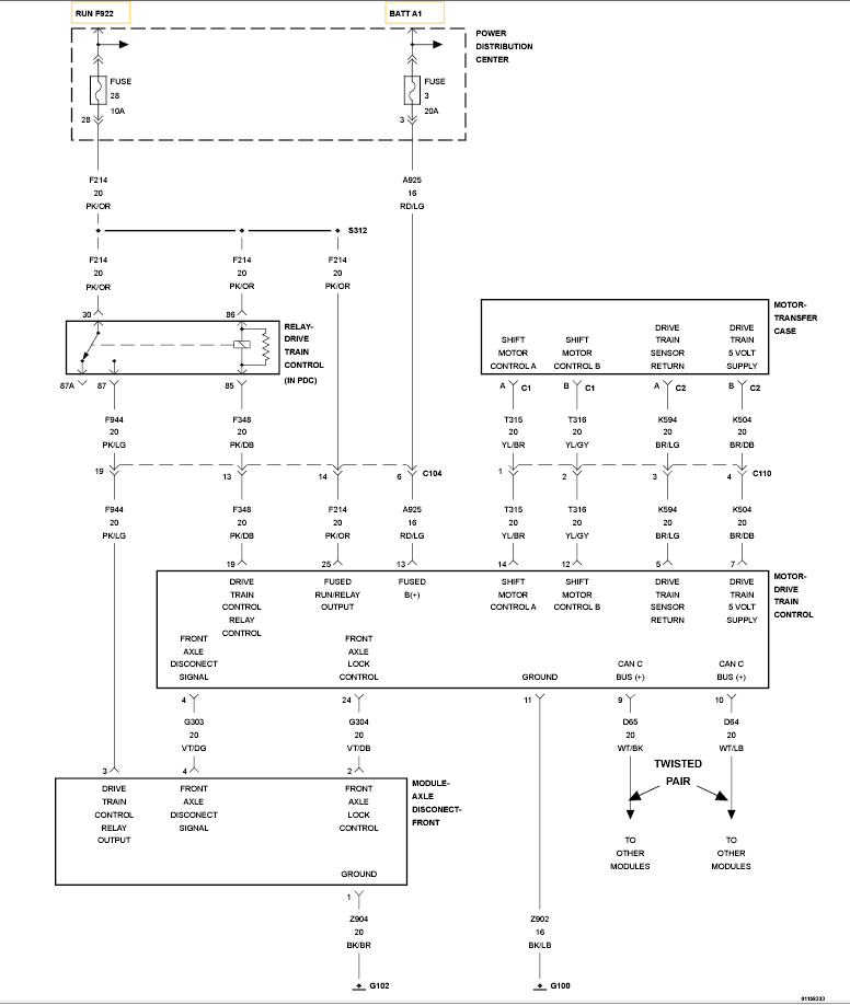
C1464-Front Axle Disconnect Control Circuit Low: Notes

WARNING: This page is about a different car, the 2012 Chrysler 300. However, it is still accessible from the selected car via links, so may be relevant.
Fig 1: Drivetrain Control Module Wiring Diagram
GC0096560Courtesy of CHRYSLER GROUP, LLC

For a complete wiring diagram, refer to appropriate SYSTEM WIRING DIAGRAMS article  .