LEMON Manuals: Even more car manuals for everyone
Home >> Jeep >> 2012 >> Compass Latitude, 2.0 A >> Repair and Diagnosis >> External Pages >> Different car >> Section 74 (Electronic Control Modules (Service Information)) >> Module, Anti-Lock Brake System >> Removal >> Removal

Module, Anti-Lock Brake System: Removal: Removal

WARNING: This page is about a different car, the 2012 Chrysler 300. However, it is still accessible from the selected car via links, so may be relevant.
CAUTION:

For Adaptive Cruise Control (ACC) equipped vehicles, the ABM and HCU are not separately serviceable. They must be replaced as an assembly.

Fig 1: Disconnecting/Connecting Battery Cables
GC0079763Courtesy of CHRYSLER GROUP, LLC
  1. Disconnect negative (-) battery cable (2) from battery post and isolate.
    Fig 2: ABM Connector Release Tabs
    GC0079881Courtesy of CHRYSLER GROUP, LLC
    NOTE:

    Use this figure in the following step to release the ABM harness connector cover. It shows the location of the release tabs.

    Fig 3: Anti-Lock Brake Module Wiring Harness Connector
    GC0079882Courtesy of CHRYSLER GROUP, LLC
  2. Disconnect ABM harness connector from antilock brake module (ABM). To do so:
    1. Depress tabs on each side of connector cover, then
    2. Pull outward and upward on lower half of cover until it locks into position pointing straight outward (2). Connector can then be pulled straight outward off ABM (1).
    NOTE:

    DO NOT remove any brake lines from the ICU fluid ports while performing the following steps. The ABM can be removed and installed without doing so.

    Fig 4: Left Front And Right Front Brake Tubes AT ICU
    GC0079888Courtesy of CHRYSLER GROUP, LLC
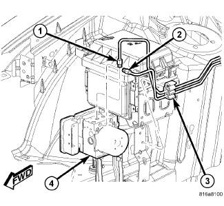
  3. Unclip all brake tubes from two routing clips (1) along upper radiator support.
  4. Unclip right front brake tube (3) from routing clip on bracket below Fuse And Relay Center.
    Fig 5: Left Rear And Right Rear Brake Tubes AT ICU
    GC0079887Courtesy of CHRYSLER GROUP, LLC
  5. Unclip rear brake tubes (1, 2) from routing clip (3) on bracket below Fuse And Relay Center.
    Fig 6: ICU Mounting
    GC0208658Courtesy of CHRYSLER GROUP, LLC
  6. Lift ICU (1) from mounting grommets (2) and move inboard allowing access to ABM attaching screws. Do not force brake tubes. Move assembly just enough to access mounting screws. 
    Fig 7: ABM Mounting Screws - With Traction Control
    GC0079883Courtesy of CHRYSLER GROUP, LLC
  7. Remove four screws (1) attaching ABM (2) to HCU.
    Fig 8: ABM Assembly To HCU
    GC0079884Courtesy of CHRYSLER GROUP, LLC
  8. Slide ABM (1) off HCU (2).