LEMON Manuals: Even more car manuals for everyone
Home >> Jeep >> 2011 >> Liberty Renegade, Part Time >> Repair and Diagnosis >> Transmission >> Transmission Control Systems >> (Transmission Control Module (TCM) - Electrical Diagnostics) >> DTC Troubleshooting >> P0604-Internal Control Module Ram >> Notes

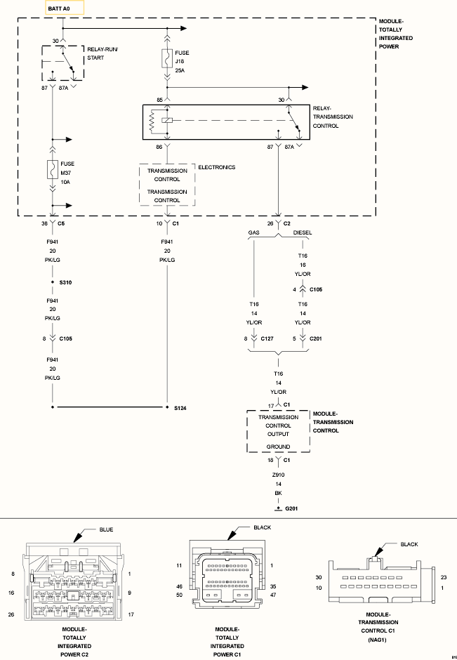
P0604-Internal Control Module Ram: Notes

Fig 1: Transmission Control Module Power Supply Wiring Diagram
GC0102166Courtesy of CHRYSLER LLC

For a complete wiring diagram, refer to appropriate SYSTEM WIRING DIAGRAMS article