LEMON Manuals: Even more car manuals for everyone
Home >> Jeep >> 2010 >> Commander Limited, 4WD >> Repair and Diagnosis >> Engine Performance >> Engine Control Systems >> Front Control Module (FCM) - Electrical Diagnostics >> DTC Troubleshooting >> B1D51-Adjustable Pedal Inhibit Circuit Open >> Circuit Schematic

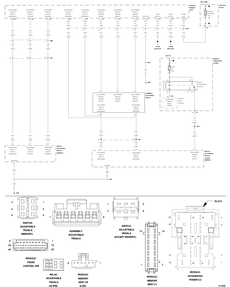
Circuit Schematic

Fig 1: Adjustable Pedals Relay Control Circuit Schematic
GC0120127Courtesy of CHRYSLER LLC