LEMON Manuals: Even more car manuals for everyone
Home >> Jeep >> 2010 >> Commander Limited, 4WD >> Repair and Diagnosis >> Engine Performance >> Engine Control Systems >> Front Control Module (FCM) - Electrical Diagnostics >> DTC Troubleshooting >> B1637-Right Hi Beam Control Circuit Low >> Circuit Schematic

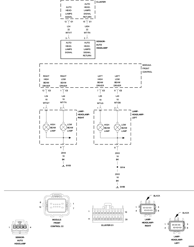
Circuit Schematic

Fig 1: Headlamp Circuit Schematic
GC0138725Courtesy of CHRYSLER LLC