LEMON Manuals: Even more car manuals for everyone
Home >> Jeep >> 2010 >> Commander Limited, 4WD >> Repair and Diagnosis >> Accessories & Equipment >> Wiper/Washer Systems >> Front Control Module (FCM) - Electrical Diagnostics >> DTC Troubleshooting >> B211E-Ignition Run/Acc/Pad Control Circuit Low >> Circuit Schematic

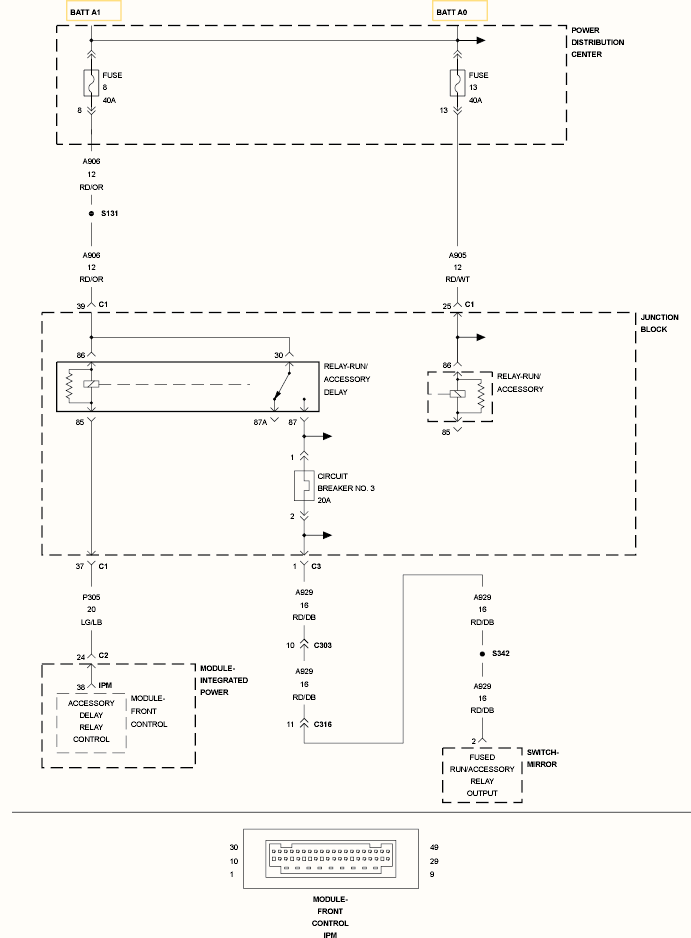
Circuit Schematic

Fig 1: Accessory Delay Relay Control Circuit Schematic
GC0120148Courtesy of CHRYSLER LLC