LEMON Manuals: Even more car manuals for everyone
Home >> Jeep >> 2010 >> Commander Limited, 4WD >> Repair and Diagnosis >> Accessories & Equipment >> Wiper/Washer Systems >> Front Control Module (FCM) - Electrical Diagnostics >> DTC Troubleshooting >> B166D-Left Trailer Tow Lamp Control Circuit Open >> Circuit Schematic

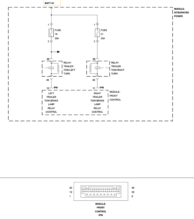
Circuit Schematic

Fig 1: Trailer Tow Lamp Control Open Circuit Schematic
GC0120118Courtesy of CHRYSLER LLC