LEMON Manuals: Even more car manuals for everyone
Home >> Jeep >> 2010 >> Commander Limited, 4WD >> Repair and Diagnosis >> Accessories & Equipment >> Wiper/Washer Systems >> Front Control Module (FCM) - Electrical Diagnostics >> DTC Troubleshooting >> B1668-Reverse Lamp Control Circuit High >> Circuit Schematic

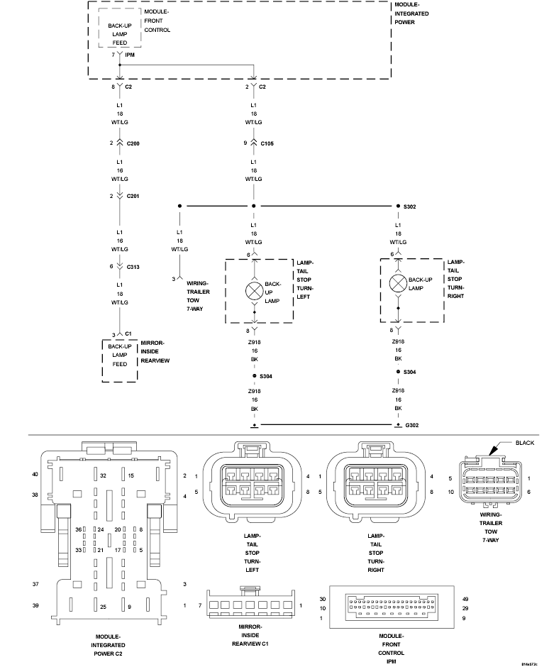
Circuit Schematic

Fig 1: Back-Up Lamp Feed Circuit Schematic
GC0120114Courtesy of CHRYSLER LLC