LEMON Manuals: Even more car manuals for everyone
Home >> Jeep >> 2009 >> Wrangler X, Standard >> Repair and Diagnosis >> External Pages >> Different variant/trim >> Section 4 ((Transmission Control Module (TCM) - Electrical Diagnostics)) >> DTC Troubleshooting >> P0882-TCM Power Input Low >> Notes

P0882-TCM Power Input Low: Notes

WARNING: This page is about a different variant/trim than selected.
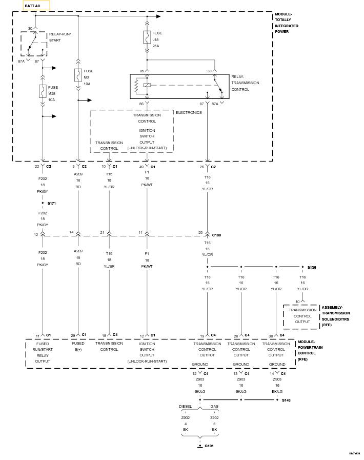
Fig 1: PCM & TIPM Circuit
GC0132015Courtesy of CHRYSLER LLC