LEMON Manuals: Even more car manuals for everyone
Home >> Jeep >> 2009 >> Commander Overland, 4WD >> Repair and Diagnosis >> Restraints >> Restraints Control Systems >> Air Bag Restraint System - Electrical Diagnostics >> DTC Troubleshooting >> B1B02-Driver Airbag Squib 1 Circuit Open >> Diagnostic Test

Diagnostic Test

  1. DETERMINE ACTIVE OR STORED DTC 
    NOTE: Make sure the battery is fully charged.
    NOTE: The scan tool, SRS Airbag Load Tool MRL 8443A, and DVOM are required to perform the following test.
    1. Select Active or Stored DTC.

      Is the DTC active or stored?

      ORC - ACTIVE DTC 

      • Go to step  2

      ORC - STORED DTC 

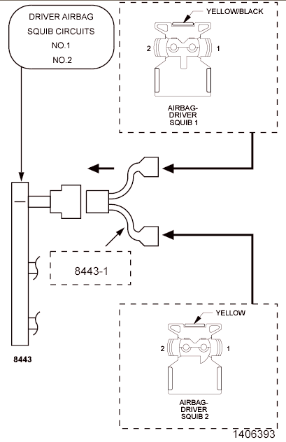
  2. CHECK FOR OPEN SQUIB CIRCUITS IN DRIVER AIRBAG 
    Fig 1: Checking For Shorted Squib Circuits In Driver Airbag
    GC0096160Courtesy of CHRYSLER LLC
    WARNING: Turn the ignition off disconnect the 12-volt battery and wait two minutes before proceeding. Failure to follow these instructions may result in possible serious or fatal injury.
    1. Disconnect the Driver Airbag Squib connectors.
      WARNING: Do not place an intact non-deployed airbag face down on a hard surface, the airbag propels into the air if accidentally deployed. Failure to follow these instructions may result in possible serious or fatal injury.
      NOTE: Check the connectors - Clean and repair as necessary.
    2. Connect the SRS Load Tool Kit 8443A and SRS Load Tool Jumper 8443-1 to the Driver Airbag Squib connectors.
      WARNING: Turn the ignition on, then reconnect the 12-volt battery and wait two minutes before proceeding. Failure to follow these instructions may result in possible serious or fatal injury.
    3. With the scan tool, read the active ORC DTCs.

      Does the scan tool display: B1B02-DRIVER AIRBAG SQUIB 1 CIRCUIT OPEN?

      Yes 

      • Go to step  3

      No 

  3. CHECK CLOCKSPRING SQUIB CIRCUITS FOR AN OPEN 
    Fig 2: Checking Clockspring Squib Circuits For A Short To Ground
    GC0099228Courtesy of CHRYSLER LLC
    WARNING: Turn the ignition off disconnect the 12-volt battery and wait two minutes before proceeding. Failure to follow these instructions may result in possible serious or fatal injury.
    1. Disconnect the SRS Load Tool Kit 8443A and SRS Load Tool Jumper 8443-1 from the Driver Airbag Squib connectors.
    2. Disconnect the Clockspring C4 harness connector.
      NOTE: Check the connectors - Clean and repair as necessary.
      WARNING: Turn the ignition on, then reconnect the 12-volt battery and wait two minutes before proceeding. Failure to follow these instructions may result in possible serious or fatal injury.
    3. Connect the SRS Load Tool Kit 8443A and SRS Load Tool Jumper 8443-19 to the Clockspring C4 connector.

    4. With the scan tool, read the active ORC DTCs.

      Does the scan tool display: B1B02-DRIVER AIRBAG SQUIB 1 CIRCUIT OPEN?

      Yes 

      • Go to step  4

      No 

  4. CHECK (R43) DRIVER SQUIB 1 LINE 2 CIRCUIT AND (R45) DRIVER SQUIB 1 LINE 1 CIRCUIT FOR AN OPEN 
    Fig 3: Checking Driver Squib 1 Line 2 Circuit & Driver Squib 1 Line 1 Circuit For An Open
    GC0119620Courtesy of CHRYSLER LLC
    WARNING: Turn the ignition off disconnect the 12-volt battery and wait two minutes before proceeding. Failure to follow these instructions may result in possible serious or fatal injury.
    1. Disconnect the SRS Load Tool Kit 8443A and SRS Load Tool Jumper 8443-19 from the Clockspring C4 connector.
    2. Disconnect the ORC connectors.
      NOTE: Check the connectors - Clean and repair as necessary.
    3. Connect the SRS Load Tool Adaptor 8443-24 to the ORC C2 connector.
    4. Measure the resistance of the (R43) Driver Squib 1 Line 2 circuit between the Clockspring C4 harness connector and the SRS Load Tool Adaptor 8443-24.
    5. Measure the resistance of the (R45) Driver Squib 1 Line 1 circuit between the Clockspring C4 harness connector and the SRS Load Tool Adaptor 8443-24.

      Is the resistance below 1.0 Ohm for both circuits?

      Yes 

      No