LEMON Manuals: Even more car manuals for everyone
Home >> Jeep >> 2009 >> Commander Overland, 4WD >> Repair and Diagnosis >> External Pages >> Different car >> Section 24 (Electronic Control Modules - Electrical Diagnostics) >> Electronic Control Modules - Electrical Diagnostics >> DTC Troubleshooting >> U0001-Can C Bus Circuit >> Circuit Schematic

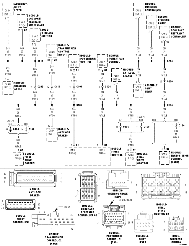
Circuit Schematic

WARNING: This page is about a different car, the 2008 Jeep Commander. However, it is still accessible from the selected car via links, so may be relevant.
Fig 1: CAN C Bus Circuit Schematic
GC0071790Courtesy of CHRYSLER LLC