LEMON Manuals: Even more car manuals for everyone
Home >> Jeep >> 2009 >> Commander Overland, 4WD >> Repair and Diagnosis >> External Pages >> Different car >> Section 124 (Can Communication System - Non-DTC Diagnostics) >> Diagnosis and Testing >> No Response From SDARV (Monitor/DVD Media System) >> Notes

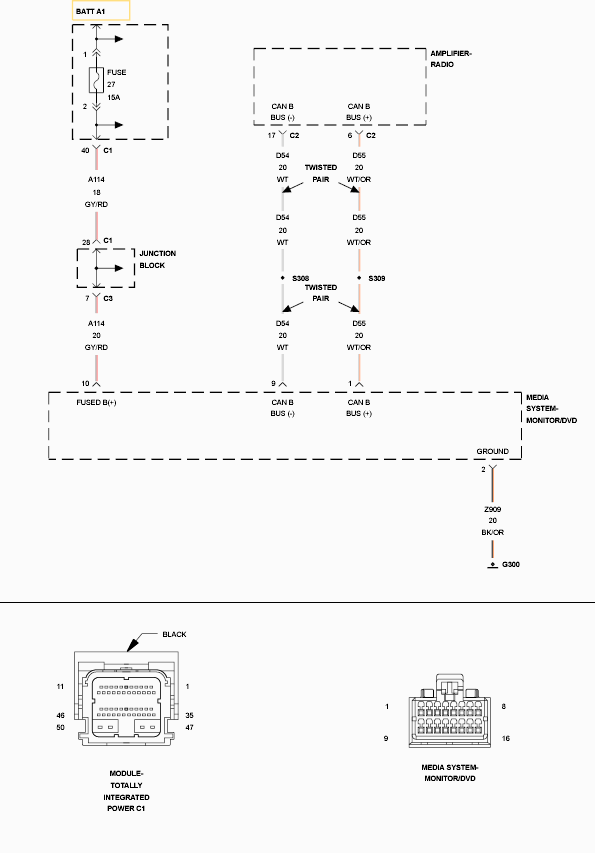
No Response From SDARV (Monitor/DVD Media System): Notes

WARNING: This page is about a different car, the 2009 Jeep Grand Cherokee. However, it is still accessible from the selected car via links, so may be relevant.
Fig 1: Monitor/DVD Media System (SDARV) CAN B BUS, Fused B+ & Ground Circuit Schematic
GC0120694Courtesy of CHRYSLER LLC

For complete wiring diagrams, refer to SYSTEM WIRING DIAGRAMS .

Possible Causes 
(A114) FUSED B(+) CIRCUIT OPEN OR SHORTED
(Z909) GROUND CIRCUIT OPEN
(D55) AND (D54) CAN B BUS CIRCUITS OPEN
MONITOR/DVD MEDIA SYSTEM