LEMON Manuals: Even more car manuals for everyone
Home >> Jeep >> 2009 >> Commander Overland, 4WD >> Repair and Diagnosis >> Body & Frame >> Windows >> Driver Door Module (DDM) - Electrical Diagnostics >> DTC Troubleshooting >> B1D35-Driver Mirror Heater Control Circuit Open >> Circuit Schematic

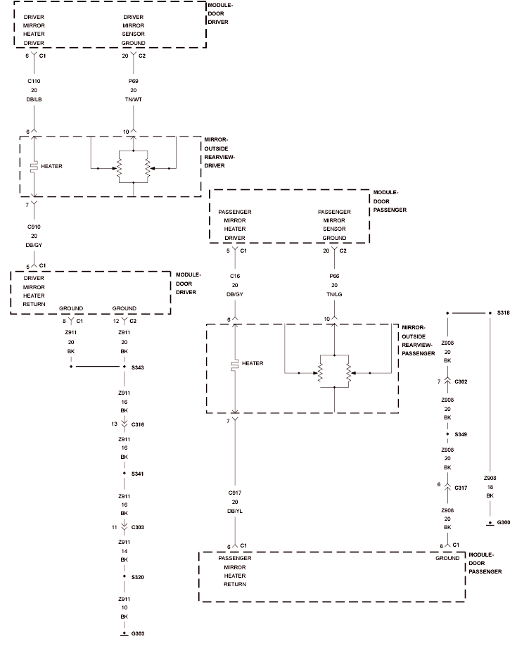
Circuit Schematic

Fig 1: Driver Mirror Heater Driver Circuit Schematic
GC0119914Courtesy of CHRYSLER LLC