LEMON Manuals: Even more car manuals for everyone
Home >> Jeep >> 2009 >> Commander Overland, 4WD >> Repair and Diagnosis >> Body & Frame >> Windows >> Driver Door Module (DDM) - Electrical Diagnostics >> DTC Troubleshooting >> B1D09-Driver Mirror Position Sensor Power Supply Circuit Low >> Circuit Schematic

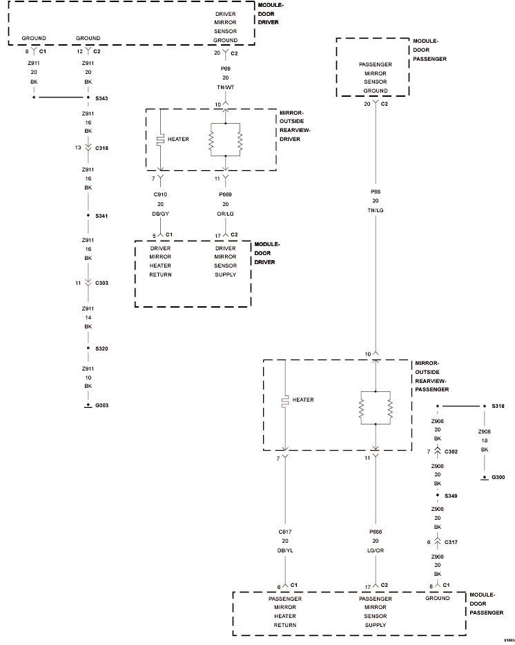
Circuit Schematic

Fig 1: Mirror Heater Sensor Supply/Return Circuit Schematic
GC0119869Courtesy of CHRYSLER LLC