LEMON Manuals: Even more car manuals for everyone
Home >> Jeep >> 2009 >> Commander Overland, 4WD >> Repair and Diagnosis (Single Page) >> Engine Performance >> System >> DTCS P0125 To P0196 - NGC >> P0137-O2 Sensor 1/2 Circuit Low >> Notes

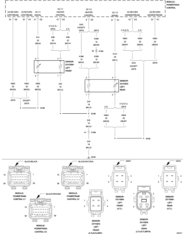
P0137-O2 Sensor 1/2 Circuit Low: Notes

Fig 1: O2 Sensor Heater Circuit
GC0132680Courtesy of CHRYSLER LLC