LEMON Manuals: Even more car manuals for everyone
Home >> Jeep >> 2009 >> Commander Overland, 4WD >> Repair and Diagnosis (Single Page) >> Engine Performance >> System >> DTCS P000B To P0123 - NGC >> P0037-O2 Sensor 1/2 Heater Circuit Low >> Notes

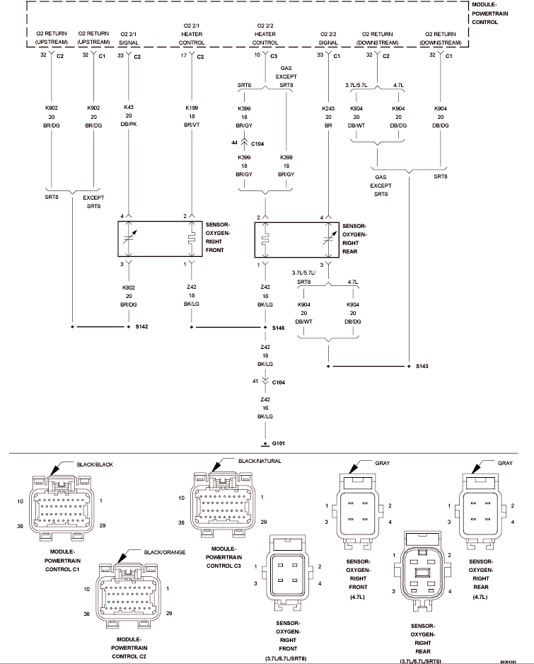
P0037-O2 Sensor 1/2 Heater Circuit Low: Notes

Fig 1: O2 Sensor Heater Circuit
GC0132685Courtesy of CHRYSLER LLC