LEMON Manuals: Even more car manuals for everyone
Home >> Jeep >> 2009 >> Commander Overland, 4WD >> Repair and Diagnosis (Single Page) >> Body & Frame >> Door Locks >> Power Liftgate Module (PLGM) - Electrical Diagnostics >> DTC Troubleshooting >> B18E4-Power Liftgate Front Zone Switch Circuit High >> Circuit Schematic

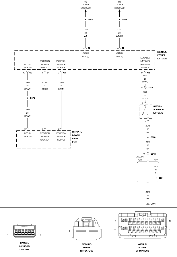
Circuit Schematic

Fig 1: Liftgate Switch Sense Circuit Schematic
GC0132638Courtesy of CHRYSLER LLC