LEMON Manuals: Even more car manuals for everyone
Home >> Jeep >> 2009 >> Commander Limited, 4.7 P, 4WD >> Repair and Diagnosis >> Engine Performance >> Ignition System >> Front Control Module (FCM) - Electrical Diagnostics >> DTC Troubleshooting >> B1630-Right Low Beam Control Circuit High >> Circuit Schematic

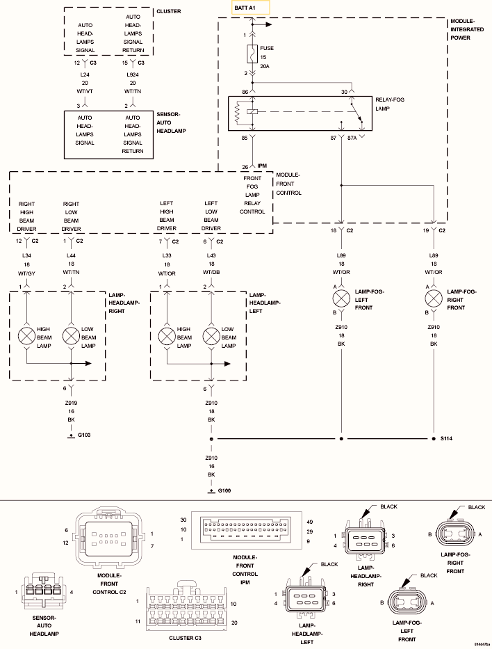
Circuit Schematic

Fig 1: Right Low Beam Circuit Schematic
GC0120076Courtesy of CHRYSLER LLC