LEMON Manuals: Even more car manuals for everyone
Home >> Jeep >> 2008 >> Compass Limited, AWD, Standard >> Repair and Diagnosis >> Engine Performance >> System >> DTC U1418, Checking For Intermittent Condition, System Checks, Component Checks >> *Checking The Ignition Coil Operation >> Circuit Schematic

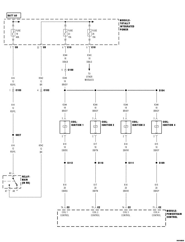
Circuit Schematic

Fig 1: Ignition Coil Circuit Schematic
GC0053907Courtesy of CHRYSLER LLC