LEMON Manuals: Even more car manuals for everyone
Home >> Jeep >> 2007 >> Commander Base, 4.7 P, AWD >> Repair and Diagnosis >> Restraints >> Restraints Control Systems >> Air Bag Restraint System - Electrical Diagnostics >> Restraints - Electrical Diagnostics >> DTC Troubleshooting >> B212C-Ignition Run/Start Input Circuit Open >> Circuit Schematic

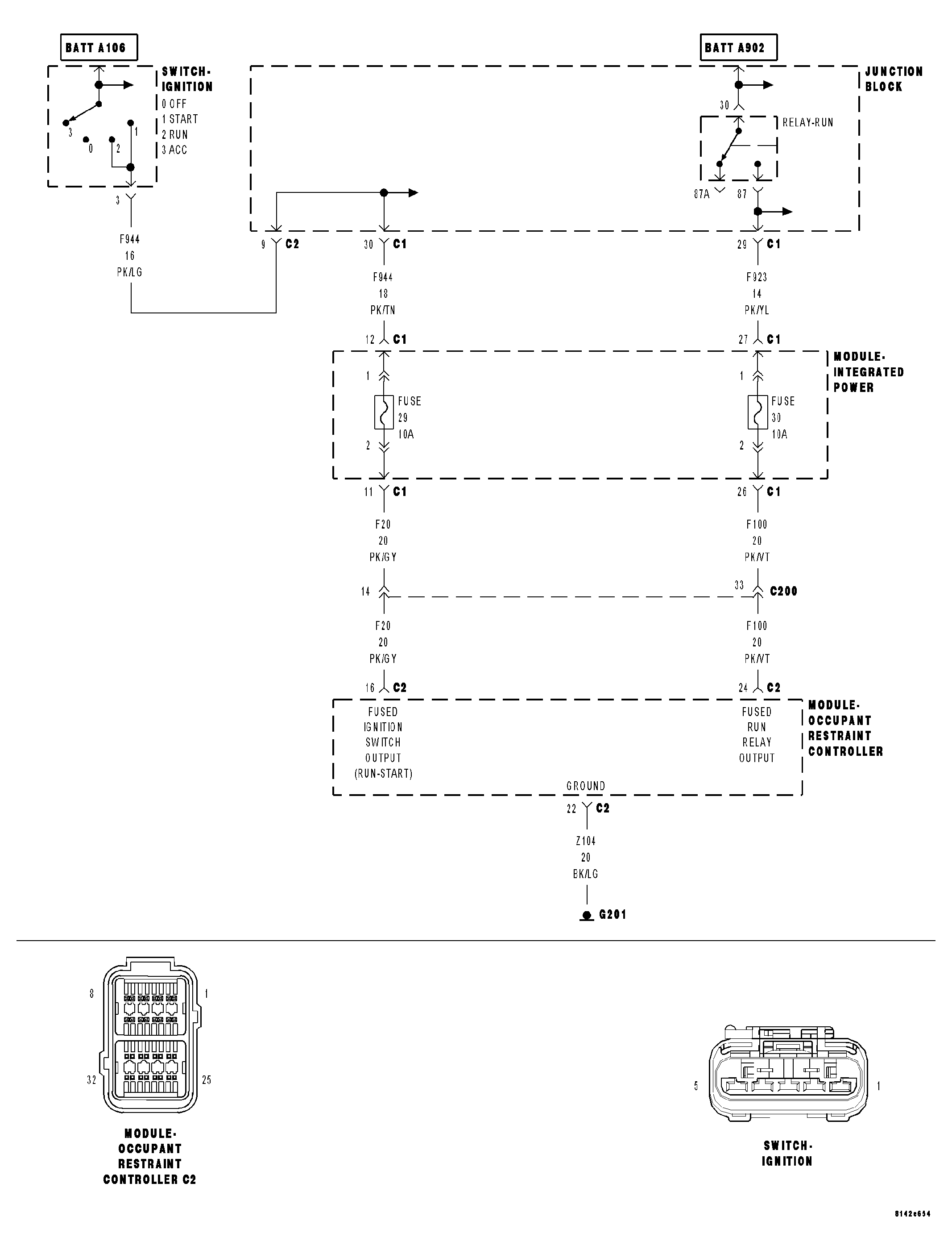
Circuit Schematic

Fig 1: Occupant Restraint Controller Power Feed (Ignition) Circuit Schematic
GC0027702Courtesy of CHRYSLER LLC