LEMON Manuals: Even more car manuals for everyone
Home >> Jeep >> 2007 >> Commander Base, 4.7 P, AWD >> Repair and Diagnosis >> Engine Performance >> System >> DTCS P1602 To P2123 >> P2098-Downstream Fuel Trim System 2 Lean >> Circuit Schematic

Circuit Schematic

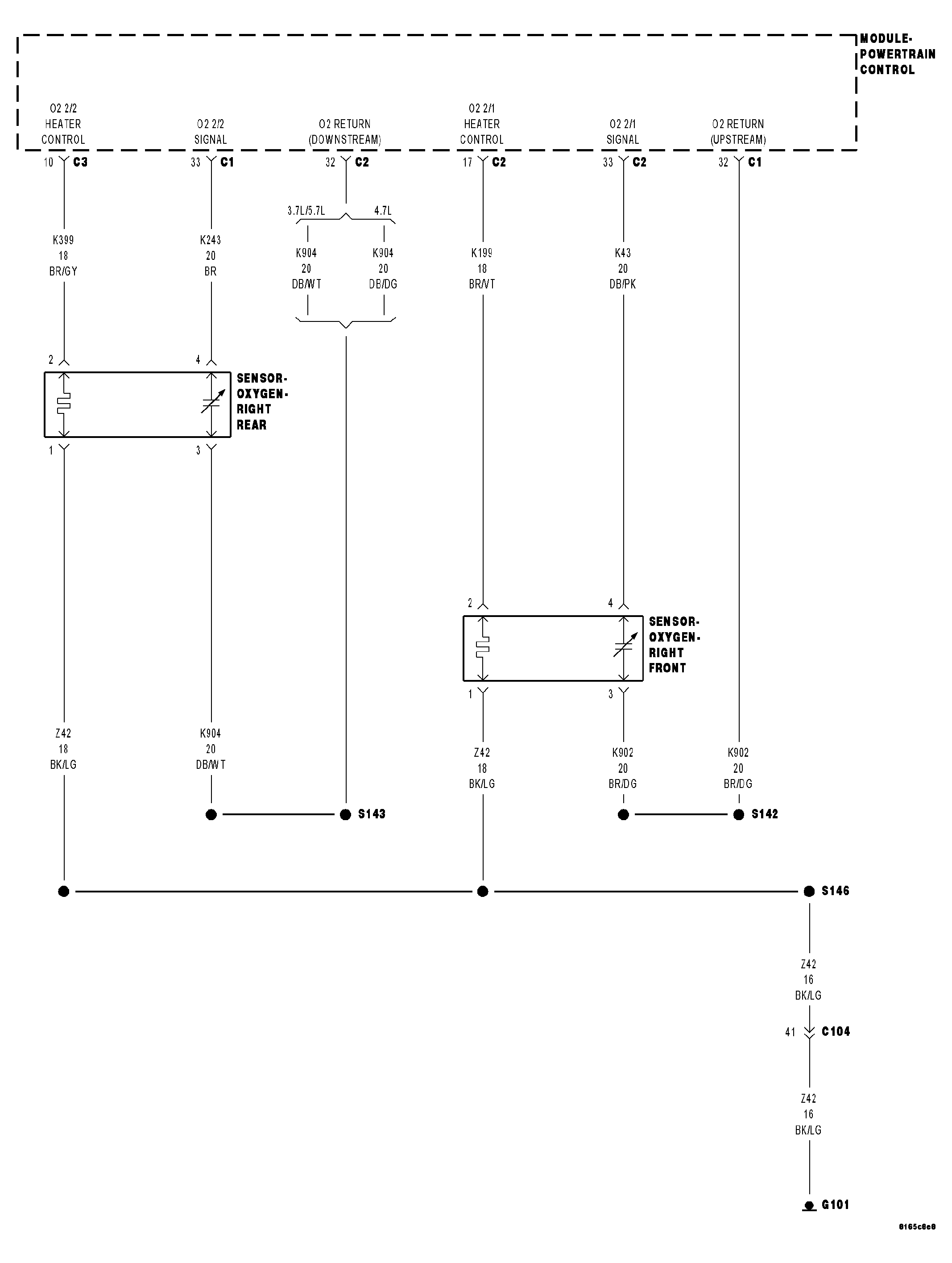
Fig 1: Right Front & Right Rear O2 Sensor Circuit Schematic
GC0044752Courtesy of CHRYSLER LLC