LEMON Manuals: Even more car manuals for everyone
Home >> Jeep >> 2007 >> Commander Base, 4.7 P, AWD >> Repair and Diagnosis >> Engine Performance >> System >> DTCS P1602 To P2123 >> P2074-Map/TPS Correlation - High Airflow/Vacuum Leak Detected >> Circuit Schematic

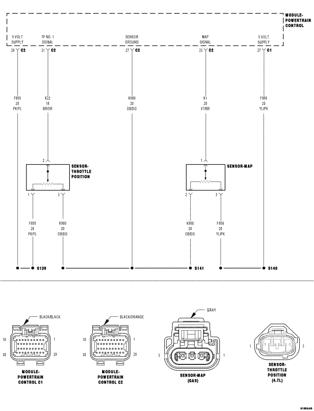
Circuit Schematic

Fig 1: MAP & Throttle Position Sensor Circuit Schematic
GC0058514Courtesy of CHRYSLER LLC