LEMON Manuals: Even more car manuals for everyone
Home >> Jeep >> 2007 >> Commander Base, 4.7 P, AWD >> Repair and Diagnosis >> Engine Performance >> System >> DTCS P0325 To P0501 >> P0480-Cooling Fan 1 Control Circuit >> Circuit Schematic

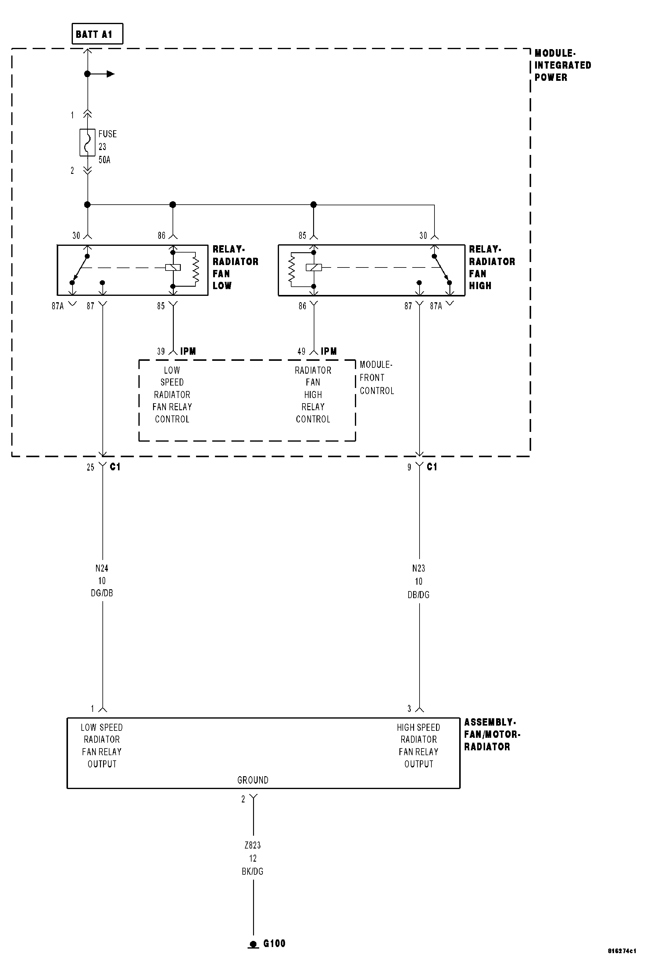
Circuit Schematic

Fig 1: Cooling Fans Circuit Schematic
GC0044771Courtesy of CHRYSLER LLC