LEMON Manuals: Even more car manuals for everyone
Home >> Jeep >> 2007 >> Commander Base, 4.7 P, AWD >> Repair and Diagnosis >> Engine Performance >> System >> DTCS P0175 To P0315 >> P0202-Fuel Injector 2 Circuit >> Circuit Schematic

Circuit Schematic

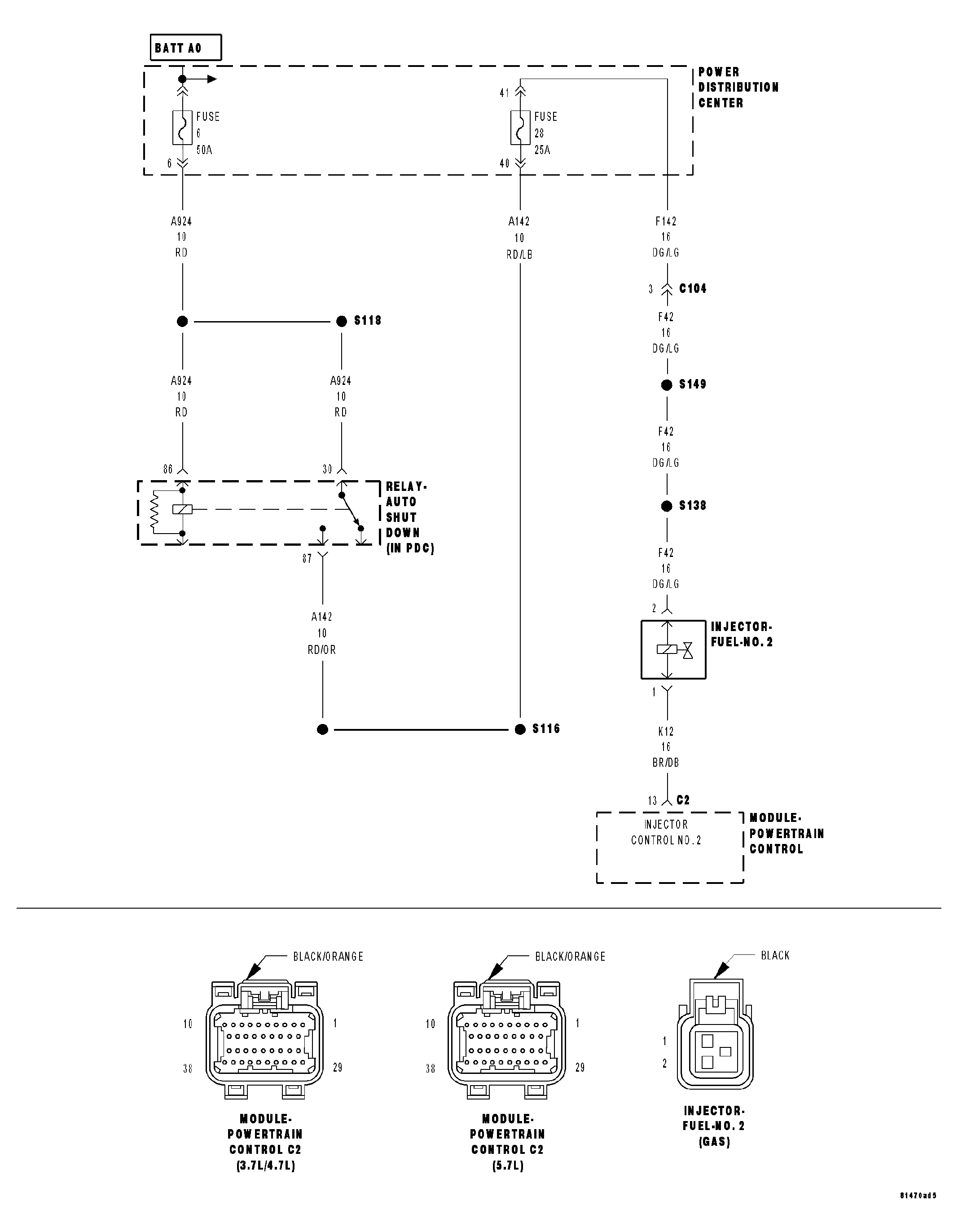
Fig 1: Fuel Injector 2 Circuit Schematic
GC0027104Courtesy of CHRYSLER LLC