LEMON Manuals: Even more car manuals for everyone
Home >> Jeep >> 2007 >> Commander Base, 4.7 P, AWD >> Repair and Diagnosis >> Engine Performance >> System >> DTCS P0123 To P0174 >> P0153-O2 Sensor 2/1 Slow Response >> Circuit Schematic

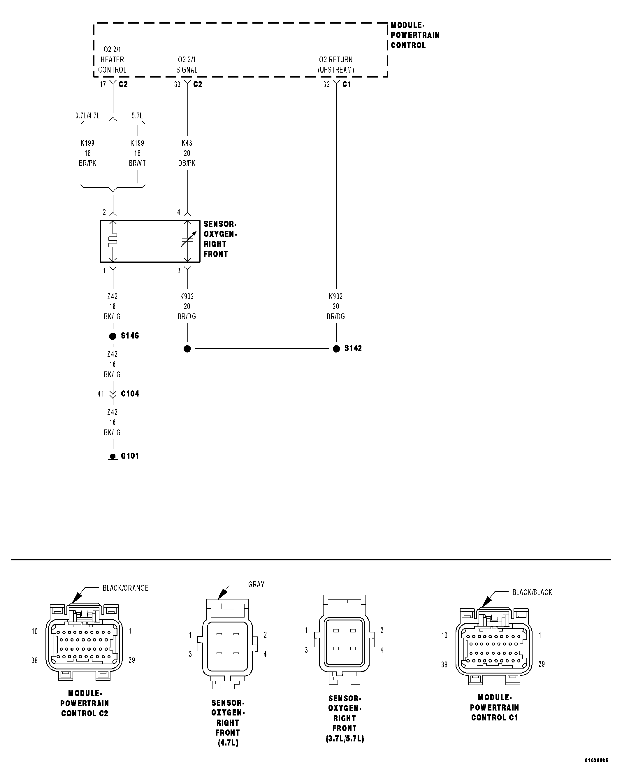
Circuit Schematic

Fig 1: Right Front O2 Sensor Circuit Schematic
GC0044742Courtesy of CHRYSLER LLC