LEMON Manuals: Even more car manuals for everyone
Home >> Jeep >> 2007 >> Commander Base, 4.7 P, AWD >> Repair and Diagnosis >> Engine Performance >> Ignition System >> Ignition System - Electrical Diagnostics >> Ignition Systems - Electrical Diagnostics >> DTC Troubleshooting >> B2124-Ignition Run Control Circuit Open >> Circuit Schematic

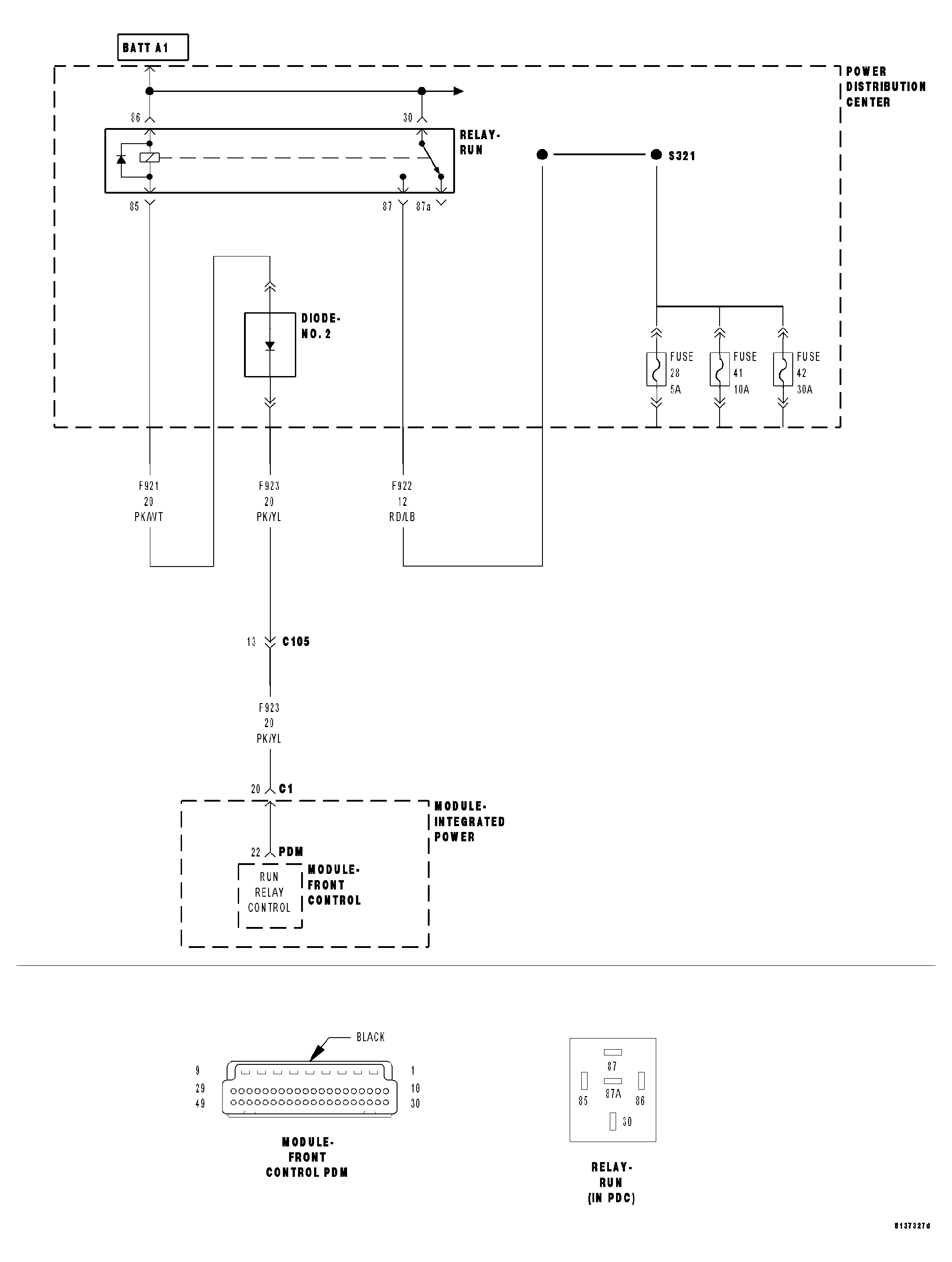
Circuit Schematic

Fig 1: Ignition Run Control Circuit Schematic
GC0015965Courtesy of CHRYSLER LLC