LEMON Manuals: Even more car manuals for everyone
Home >> Jeep >> 2007 >> Commander Base, 4.7 P, AWD >> Repair and Diagnosis >> Engine Performance >> Ignition System >> Ignition System - Electrical Diagnostics >> Ignition Systems - Electrical Diagnostics >> DTC Troubleshooting >> B211F-Ignition Run/Acc/Pad Control Circuit High >> Circuit Schematic

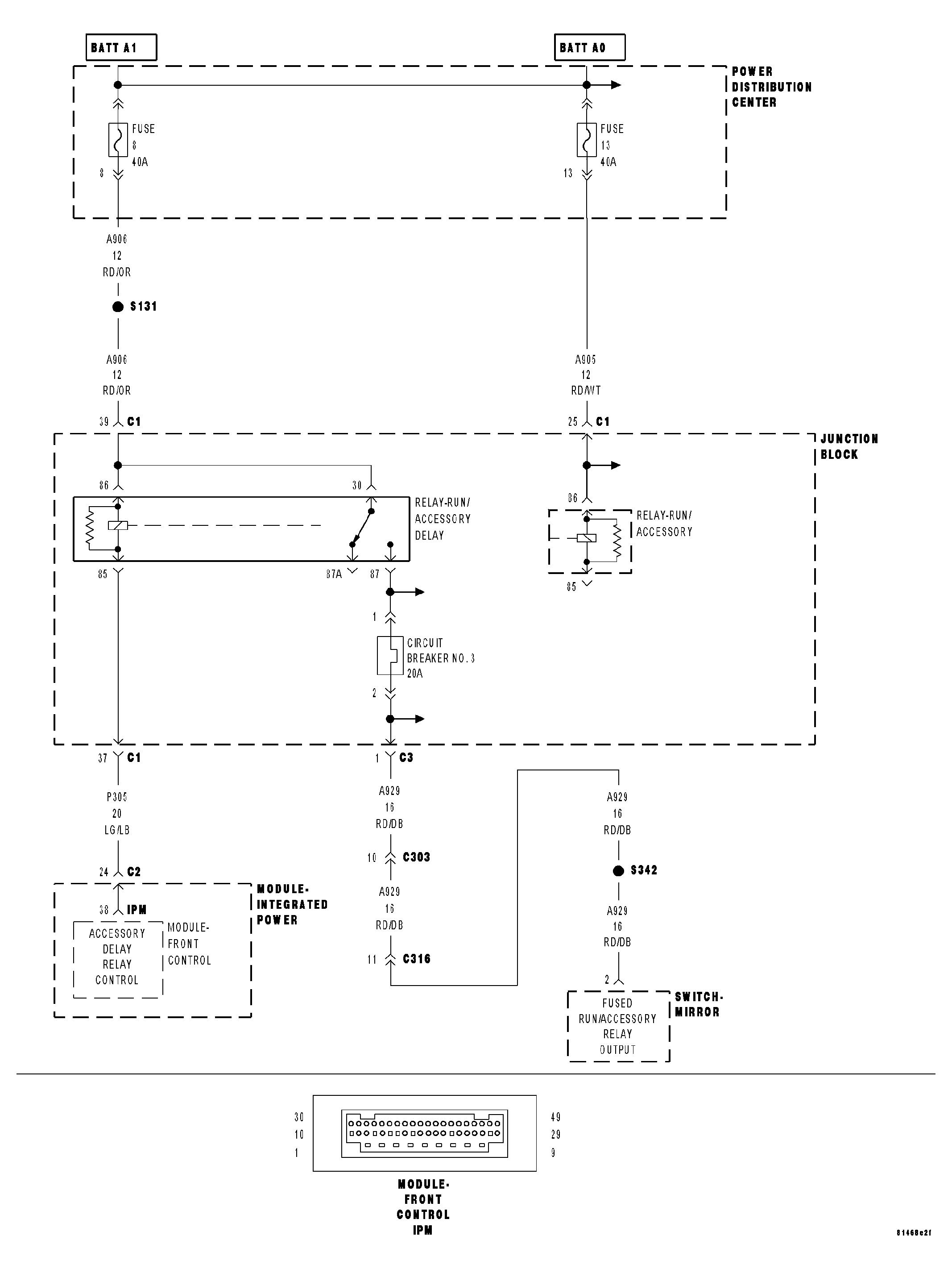
Circuit Schematic

Fig 1: Ignition RUN/ACC/PAD Control Circuit Schematic
GC0029098Courtesy of CHRYSLER LLC