LEMON Manuals: Even more car manuals for everyone
Home >> Jeep >> 2007 >> Commander Base, 4.7 P, AWD >> Repair and Diagnosis >> Engine Performance >> Ignition System >> Ignition System - Electrical Diagnostics >> Ignition Systems - Electrical Diagnostics >> DTC Troubleshooting >> B2100-Ignition Run/Start Input Circuit Performance >> Circuit Schematic

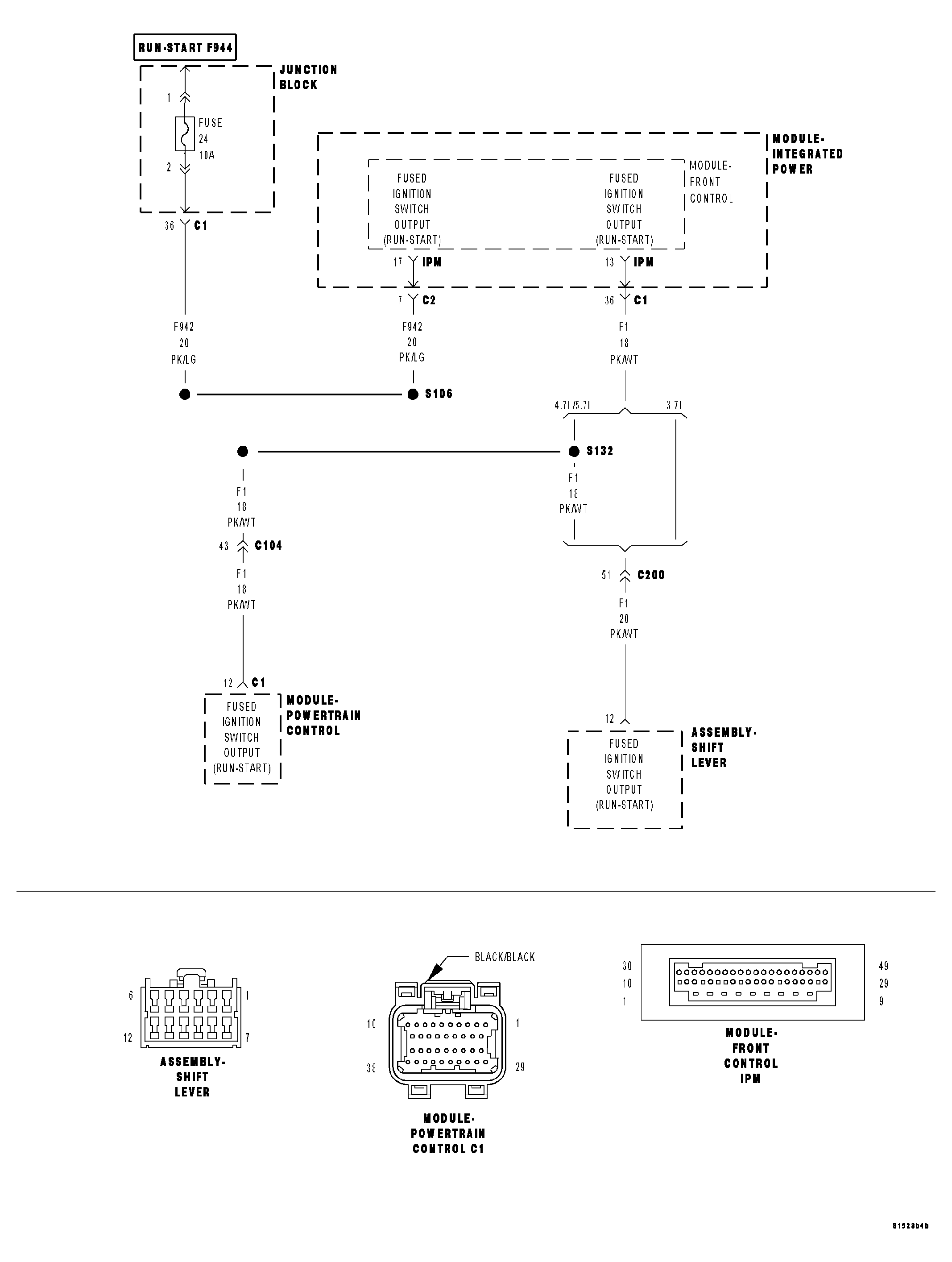
Circuit Schematic

Fig 1: Ignition Unlock Run/Start Control Circuit Schematic
GC0044483Courtesy of CHRYSLER LLC