LEMON Manuals: Even more car manuals for everyone
Home >> Jeep >> 2007 >> Commander Base, 4.7 P, AWD >> Repair and Diagnosis >> Accessories & Equipment >> Communication Devices >> Electronic Control Modules - Electrical Diagnostics >> Electronic Control Modules - Electrical Diagnostics >> DTC Troubleshooting >> *No Response From ECM (Engine Control Module) - Diesel >> Circuit Schematic

Circuit Schematic

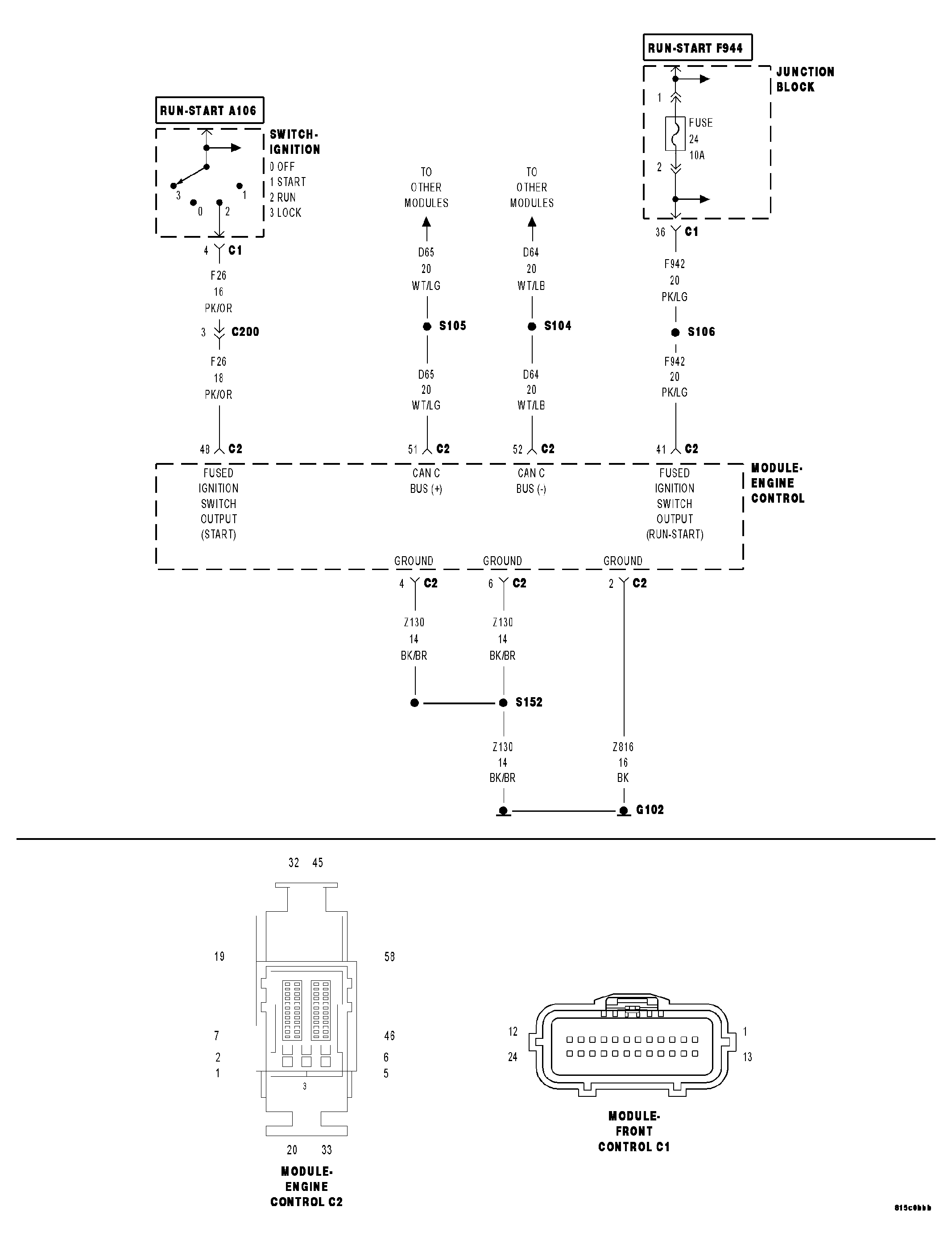
Fig 1: Engine Control Module Power, Ground & Communication Circuits Schematic (Diesel)
GC0045362Courtesy of CHRYSLER LLC