LEMON Manuals: Even more car manuals for everyone
Home >> Jeep >> 2007 >> Commander Base, 4.7 P, AWD >> Repair and Diagnosis (Single Page) >> Steering >> Steering Linkage >> Rack & Pinion Power Steering System (Service Information) >> Column >> Removal >> Steering Column

Steering Column

WARNING: Before servicing the steering column the airbag system must be disarmed. Failure to do so may result in accidental deployment of the airbag and possible personal injury. Refer to REMOVAL .
CAUTION: Steering column module is centered to the vehicles steering system. Failure to keep the system and steering column module centered and locked/inhibited from rotating can result in steering column module damage. Refer to STANDARD PROCEDURE .
Fig 1: Removing/Installing Steering Wheel & Airbag
GC0027279Courtesy of CHRYSLER LLC
  1. Position front wheels straight ahead.
  2. Disconnect and isolate the negative (ground) cable from the battery.
  3. Remove the airbag (1). Refer to REMOVAL .
    Fig 2: Removing Steering Wheel
    GC0027280Courtesy of CHRYSLER LLC
  4. Remove the steering wheel bolt and remove wheel (1) with appropriate Puller (2).
  5. Inhibit rotation of the steering column with adhesive tape/or strap.
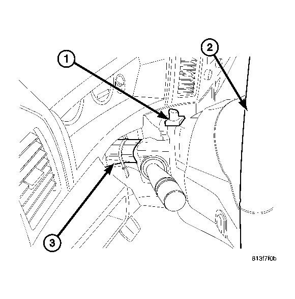
    Fig 3: Removing/Installing Driver Side Hush Panel
    GC0026827Courtesy of CHRYSLER LLC
  6. Remove the hush panel (2).
    Fig 4: Removing/Installing Column Access Cover
    GC0026817Courtesy of CHRYSLER LLC
  7. Remove the opening cover (2). Refer to REMOVAL .
    Fig 5: Shrouds Removed Access
    GC0027287Courtesy of CHRYSLER LLC
  8. Remove the steering column shrouds to gain access to steering column module (1) electrical connectors.
    Fig 6: Identifying Steering Column Electrical Connectors & Multi-function Switch
    GC0027290Courtesy of CHRYSLER LLC
  9. Disconnect the steering column module harness (3).
    Fig 7: Steering Column Components
    GC0027727Courtesy of CHRYSLER LLC
    NOTE: Lock/inhibit the Steering Column Module's integrated clockspring (1) by inserting the 'locking pin' (3) if available, or apply adhesive tape. Failure to do so can result in Steering Column Module damage.
  10. Remove the steering column module (2). Slide the steering column module with integrated clockspring (1) off the column as an assembly.
    Fig 8: Identifying Column Cross Mounting Bolt And Column
    GC0027289Courtesy of CHRYSLER LLC
  11. Remove the column cross bolt (1) and slide the column (2) downward off the bracket.
    Fig 9: Mounting Bolts
    GC0027288Courtesy of CHRYSLER LLC
  12. Remove the pinch bolt at the lower part of the column and upper intermediate shaft coupling.
  13. Remove the column mounting bolts (1) and lower column (2) down. Remove the column (2) from the vehicle.