LEMON Manuals: Even more car manuals for everyone
Home >> Jeep >> 2007 >> Commander Base, 4.7 P, AWD >> Repair and Diagnosis (Single Page) >> Engine Performance >> System >> DTCS P0645 To P1593 >> P0685-Auto Shutdown Relay Control Circuit >> Circuit Schematic

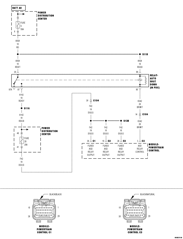
Circuit Schematic

Fig 1: Auto Shutdown Relay Control Circuit Schematic
GC0058537Courtesy of CHRYSLER LLC