LEMON Manuals: Even more car manuals for everyone
Home >> Jeep >> 2007 >> Commander Base, 4.7 P, AWD >> Repair and Diagnosis (Single Page) >> Engine Performance >> System >> DTCS P0581 To P0643 >> P0627-Fuel Pump Relay Circuit >> Circuit Schematic

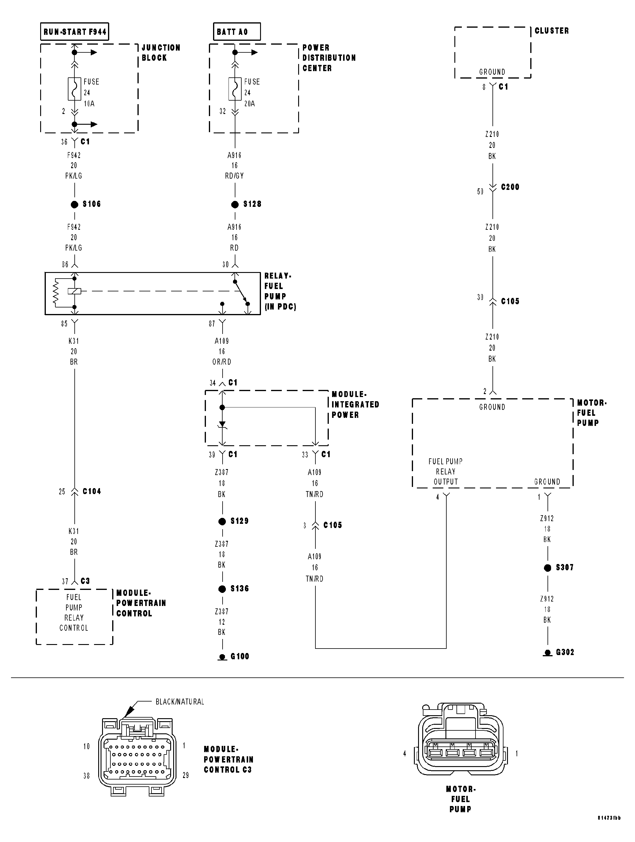
Circuit Schematic

Fig 1: Fuel Delivery System Circuit Schematic
GC0027179Courtesy of CHRYSLER LLC