LEMON Manuals: Even more car manuals for everyone
Home >> Jeep >> 2007 >> Commander Base, 4.7 P, AWD >> Repair and Diagnosis (Single Page) >> Engine Performance >> System >> DTCS P0581 To P0643 >> P0594-Speed Control Servo Power Relay Circuit >> Circuit Schematic

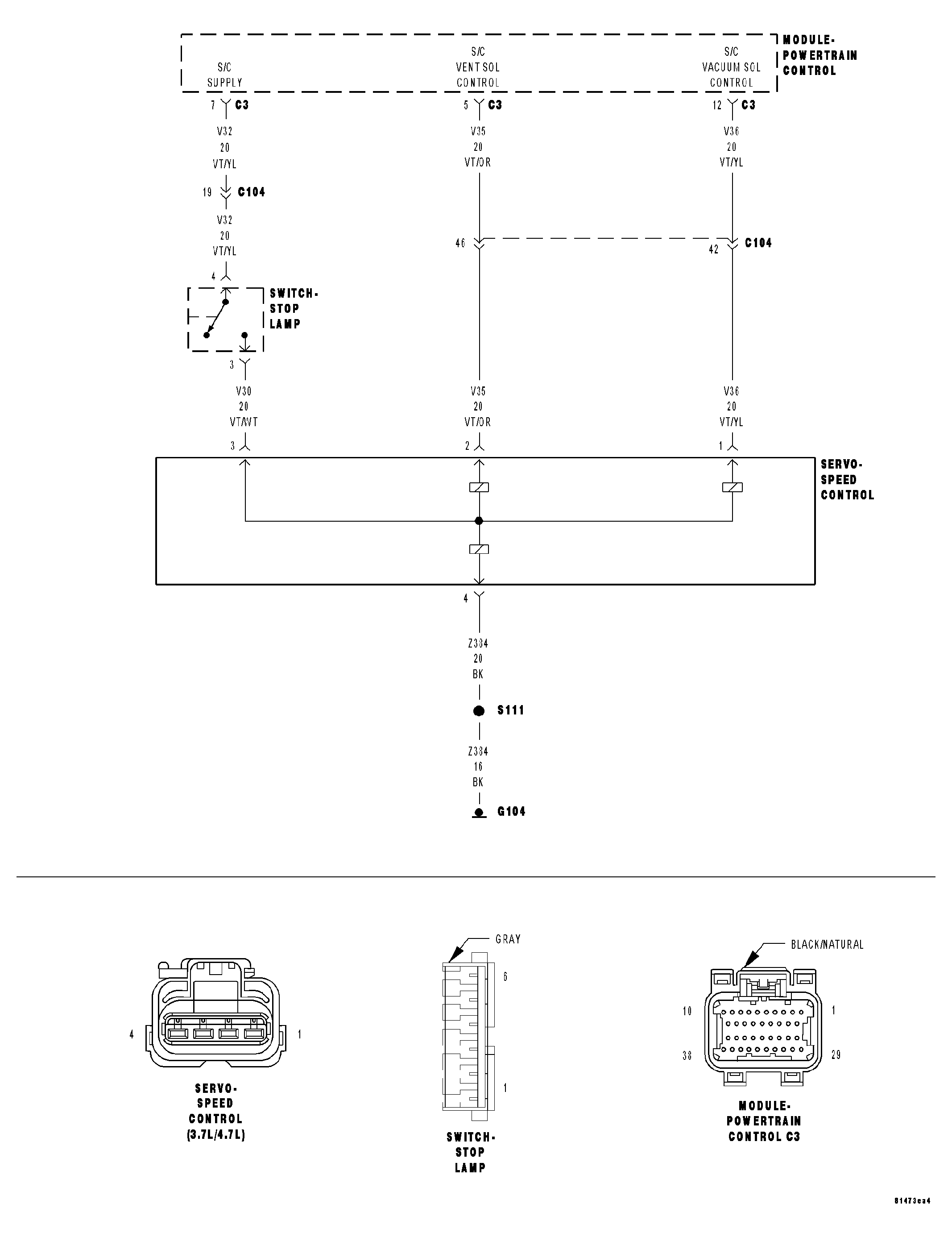
Circuit Schematic

Fig 1: Speed Control Servo Circuit Schematic
GC0027162Courtesy of CHRYSLER LLC