LEMON Manuals: Even more car manuals for everyone
Home >> Jeep >> 2007 >> Commander Base, 3.7 K, AWD >> Repair and Diagnosis (Single Page) >> Transmission >> Transmission Control Systems >> Nag1 Automatic Transmission - Electrical Diagnostics >> Nag1 - Electrical Diagnostics >> DTC Troubleshooting >> P0604-Internal Control Module Ram >> Circuit Schematic

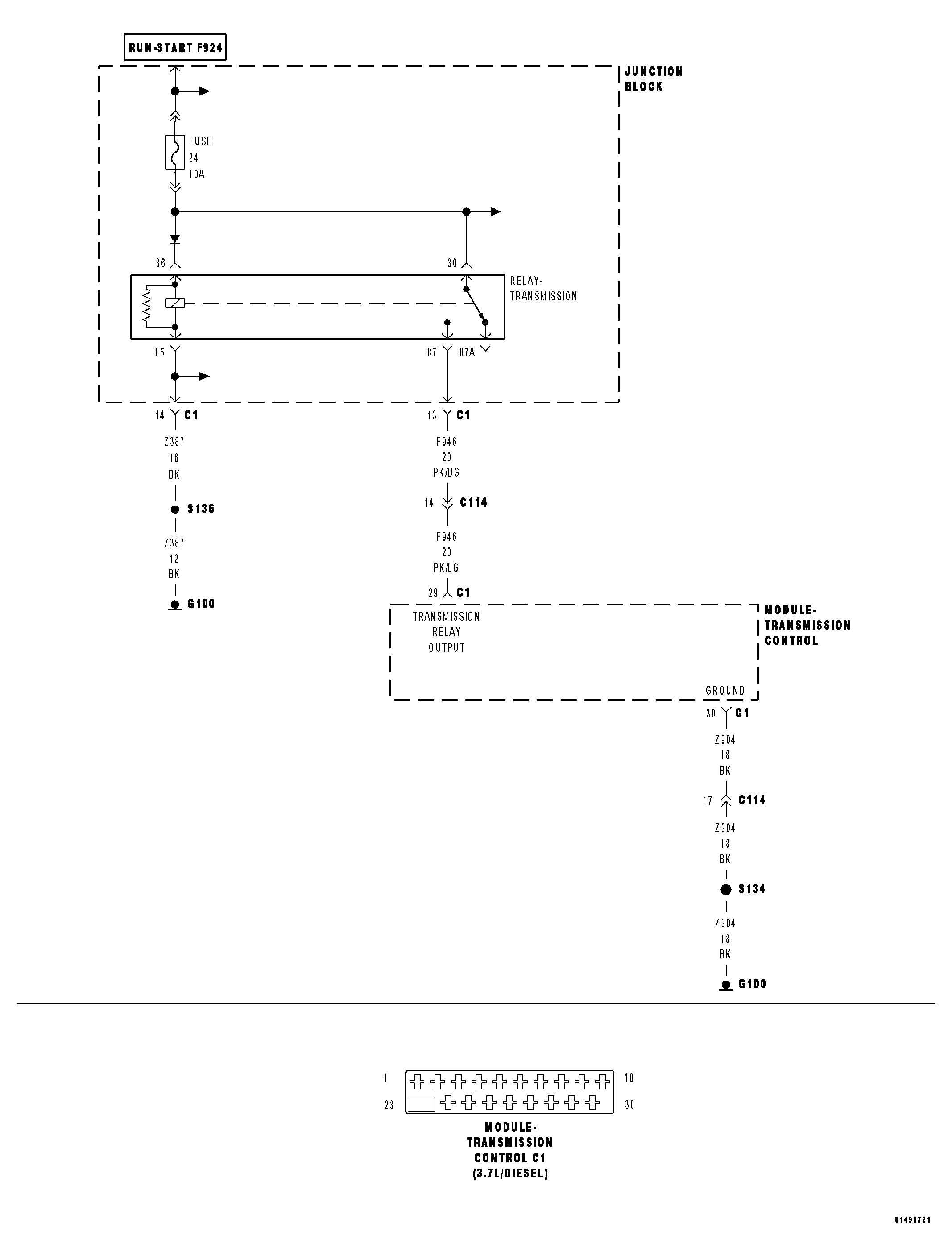
Circuit Schematic

Fig 1: Transmission Relay Output Circuit Schematic
GC0027359Courtesy of CHRYSLER LLC