LEMON Manuals: Even more car manuals for everyone
Home >> Jeep >> 2006 >> Commander Base, 3.7 K, AWD >> Repair and Diagnosis >> External Pages >> Different car >> Section 18 (Electronic Control Modules - Electrical Diagnostics) >> Electronic Control Modules - Electrical Diagnostics >> DTC Troubleshooting >> U0193-Lost Communication With Traffic Information Receiver Module >> Circuit Schematic

Circuit Schematic

WARNING: This page is about a different car, the 2006 Jeep Grand Cherokee. However, it is still accessible from the selected car via links, so may be relevant.
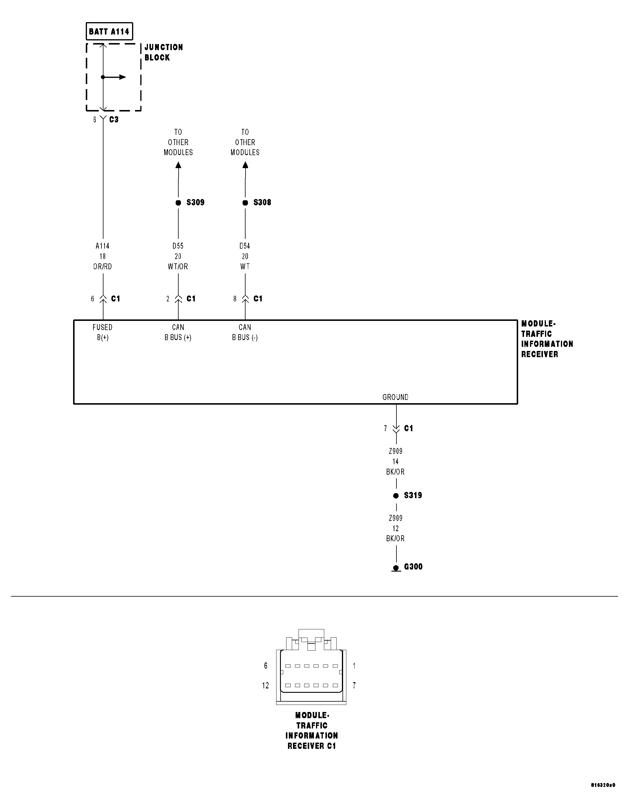
Fig 1: Traffic Information Receiver Module Power, Ground & Communication Circuits Schematic
GC0045343Courtesy of DAIMLERCHRYSLER CORP.