LEMON Manuals: Even more car manuals for everyone
Home >> Jeep >> 2006 >> Commander Base, 3.7 K, AWD >> Repair and Diagnosis >> External Pages >> Different car >> Section 18 (Electronic Control Modules - Electrical Diagnostics) >> Electronic Control Modules - Electrical Diagnostics >> DTC Troubleshooting >> *No Response From ESM (Shift Lever Assembly) - Nag1/Diesel >> Circuit Schematic

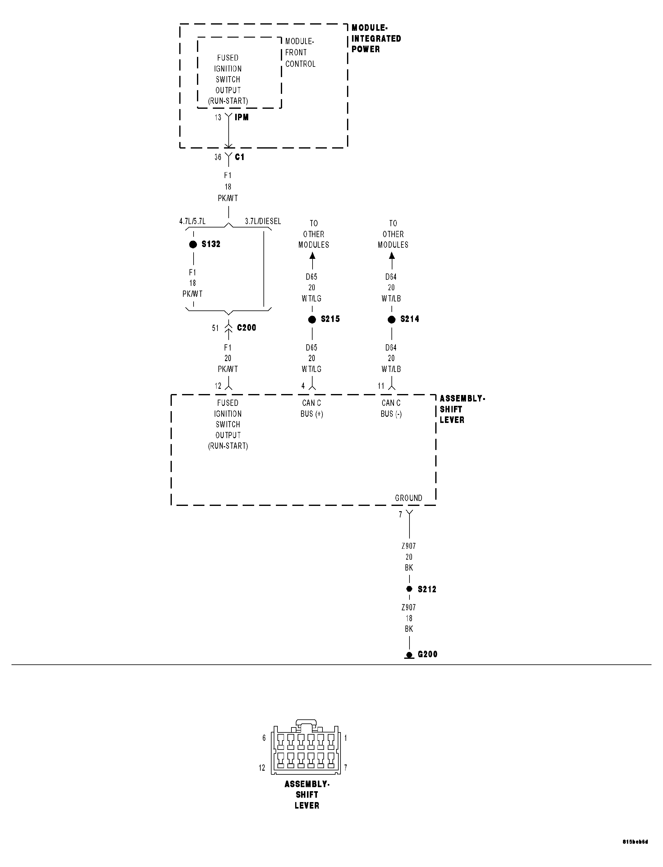
Circuit Schematic

WARNING: This page is about a different car, the 2006 Jeep Grand Cherokee. However, it is still accessible from the selected car via links, so may be relevant.
Fig 1: Shift Lever Assembly Power, Ground & Communication Circuits Schematic
GC0045365Courtesy of DAIMLERCHRYSLER CORP.