LEMON Manuals: Even more car manuals for everyone
Home >> Jeep >> 1990 >> Wrangler Base, 2.5 E >> Repair and Diagnosis >> Engine Performance >> System >> Engine Controls - System/Component Tests - CARBURETED >> Microprocessor Control Unit (MCU) (4.2L) >> Ground Circuits

Ground Circuits

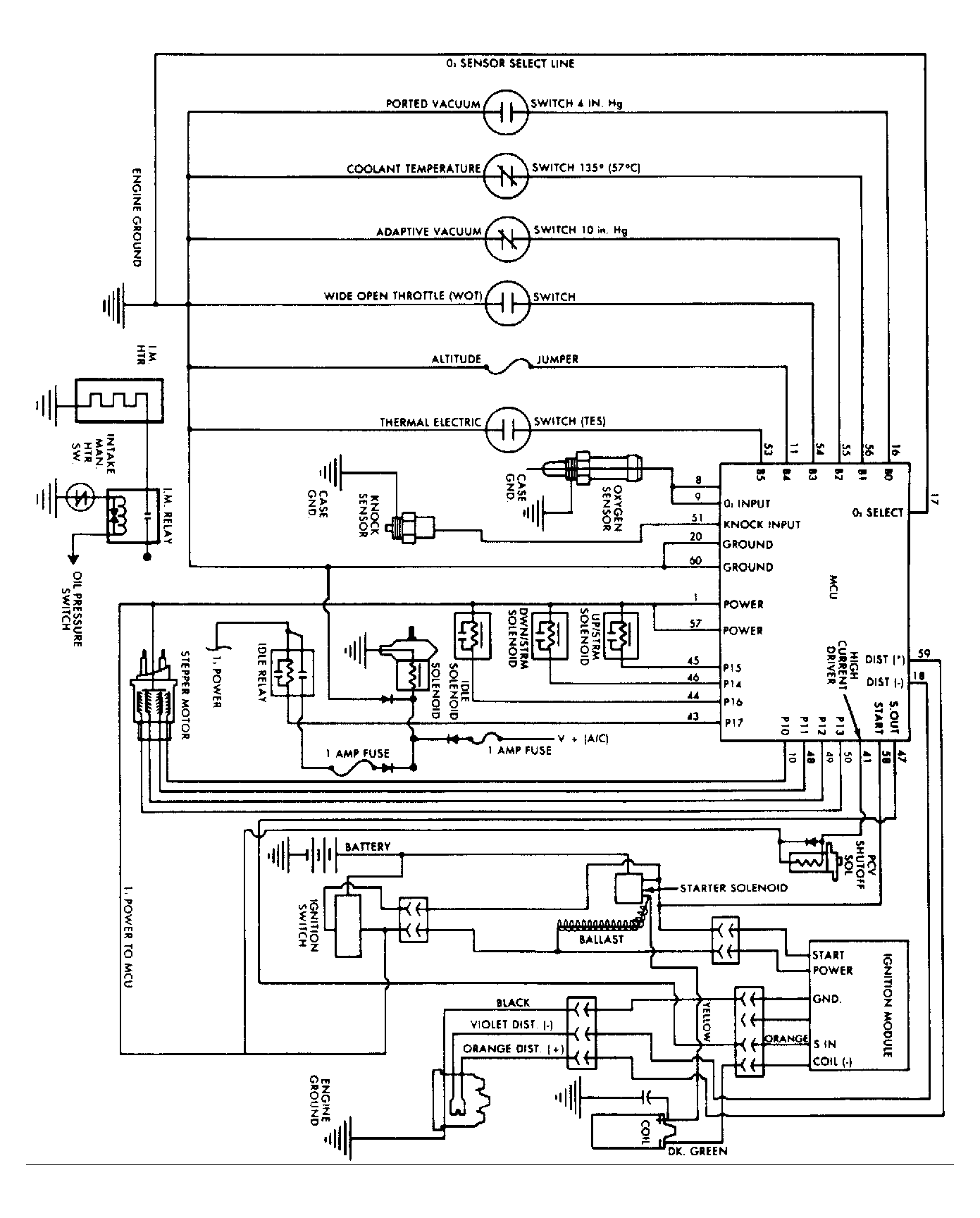
  1. Using an ohmmeter, check for continuity to ground by backprobing MCU terminals No. 17, 20 and 60. See Figure . Resistance should be zero ohms. If not, repair open to ground.
  2. Using a DVOM, touch negative lead of voltmeter to a good ground. Using positive lead of voltmeter backprobe each ground terminal. With vehicle running, voltmeter should indicate less than 1 volt. If voltmeter reading is greater than 1 volt, check for open, corrosion or loose connection on ground lead.