LEMON Manuals: Even more car manuals for everyone
Home >> Jeep >> 1990 >> Wagoneer >> Repair and Diagnosis >> Engine Performance >> System >> Engine Controls - System/Component Tests - 2.5L >> Closed Throttle (Idle) Switch Test >> Functional Test

Functional Test

  1. Shut off engine and note if ISA motor plunger extends. If necessary to extend plunger for test, an ISA motor failure can be suspected. Adjust ISA motor if necessary. With ignition switch in ON position, test switch voltage at diagnostic connectors D2-13 and D2-7 (ground). See Fig 1 .
    Fig 1: 2.5L Diagnostic Connectors (Cherokee & Comanche)
    G90J15882Courtesy of CHRYSLER MOTORS.
  2. Voltage should be close to zero at closed throttle and greater than 2 volts when throttle is not closed. If no voltage is present in either position, test for short circuit to ground in wire harness or switch. Test for open circuit between ECU connector terminal No. 25 and switch.
  3. If voltage is always more than 2 volts, test for open circuit in wire harness between ECU and switch connector, and between switch connector and ground. Repair or replace wire harness as necessary.
Fig 2: 2.5L Diagnostic Connectors (Wrangler)
G90A15883Courtesy of CHRYSLER MOTORS.
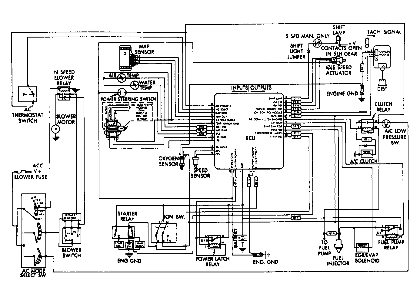
Fig 3: 2.5L Control Schematic (Cherokee & Comanche)
G90B17104Courtesy of CHRYSLER MOTORS.
Fig 4: 2.5L Control Schematic (Wrangler)
G90C17105Courtesy of CHRYSLER MOTORS.