LEMON Manuals: Even more car manuals for everyone
Home >> Isuzu >> 2007 >> Ascender RWD >> Repair and Diagnosis >> Accessories & Equipment >> Infotainment >> Cellular System, Entertainment System, And Navigation System >> Schematic and Routing Diagrams >> Radio/Navigation System Schematics

Radio/Navigation System Schematics

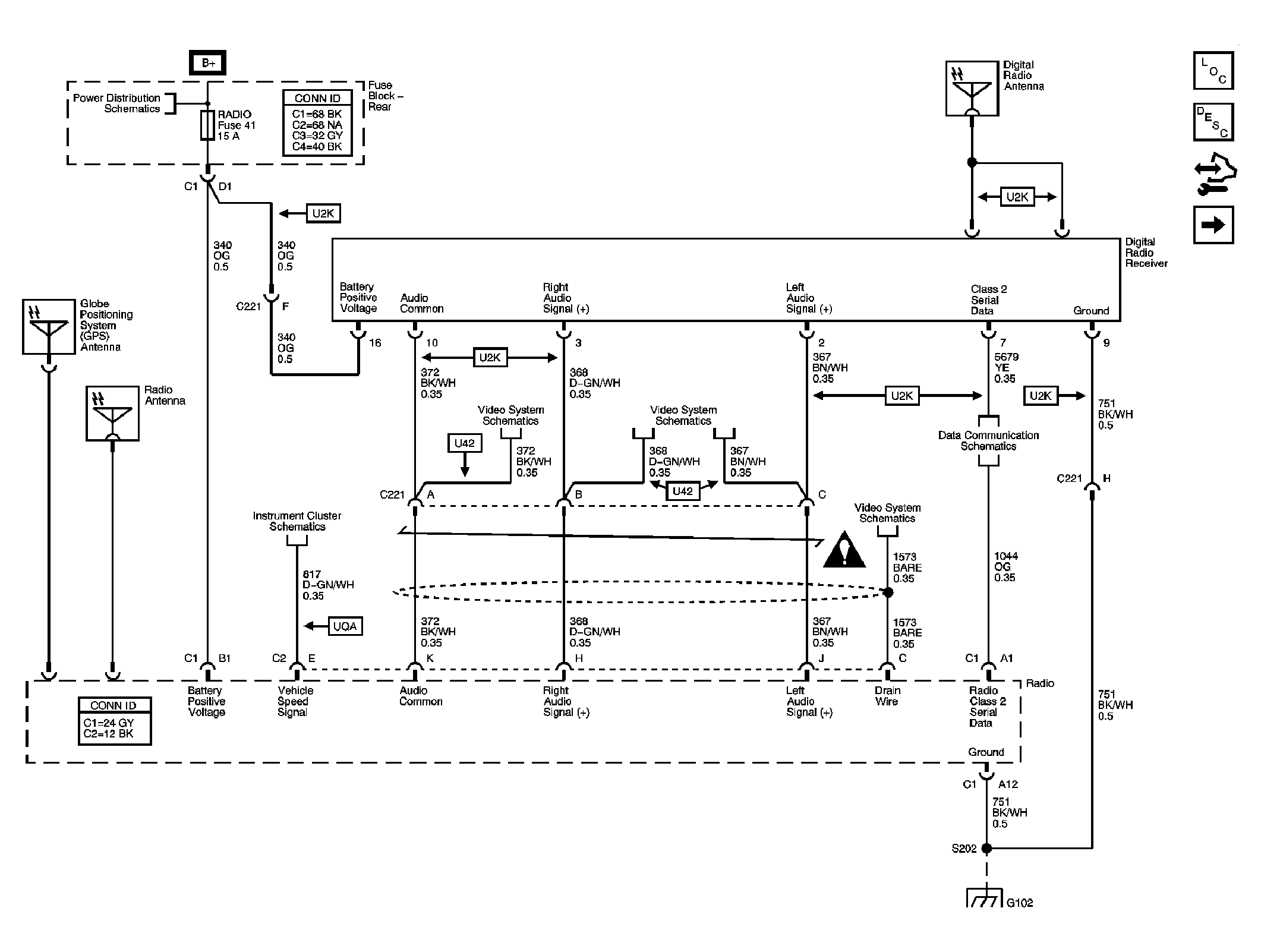
Fig 1: Power, Ground, Serial Data & Digital Radio Receiver Schematic
GM1747709Courtesy of GENERAL MOTORS CORP.
Fig 2: Base Radio Schematic - w/o Rear Seat Audio Controls
GM1747710Courtesy of GENERAL MOTORS CORP.
Fig 3: Base Radio Schematic - w/Rear Seat Audio Controls
GM1747711Courtesy of GENERAL MOTORS CORP.
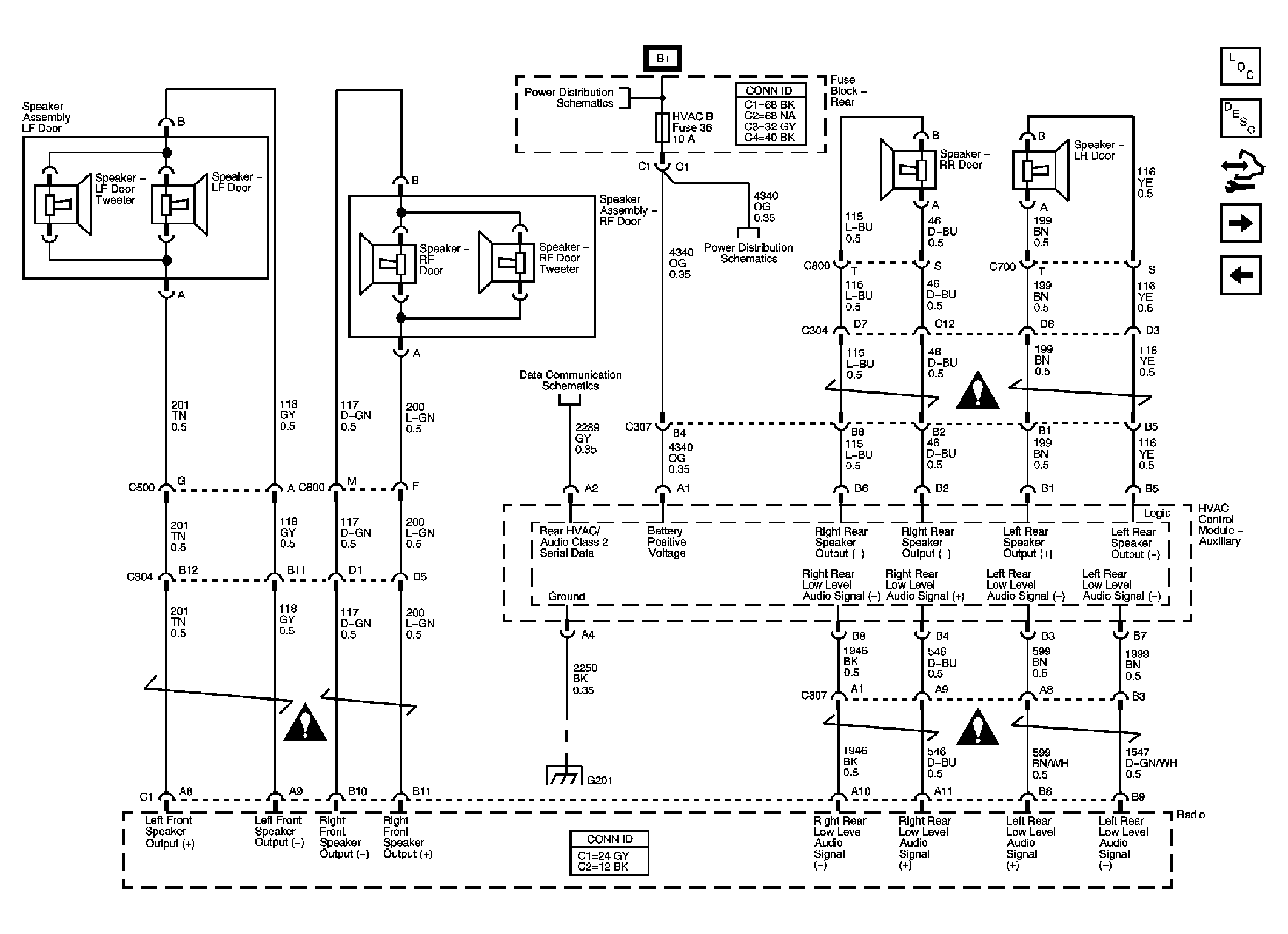
Fig 4: Audio Amplifier Power, Grounds and Premium Radio Low Level Audio Outputs w/o Rear Seat Audio Controls Schematic
GM1747712Courtesy of GENERAL MOTORS CORP.
Fig 5: Audio Amplifier Power, Grounds & Premium Radio Low Level Audio Outputs w/Rear Seat Audio Controls Schematic
GM1747713Courtesy of GENERAL MOTORS CORP.
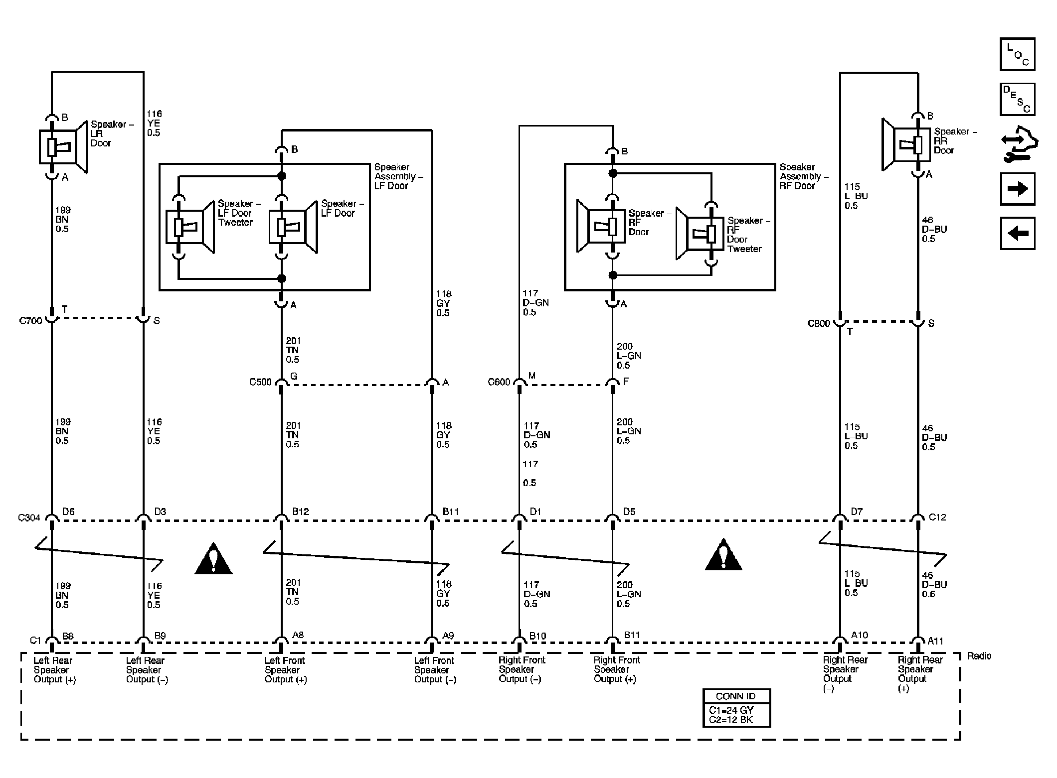
Fig 6: Premium Radio Amplifier Outputs Schematic
GM1747714Courtesy of GENERAL MOTORS CORP.
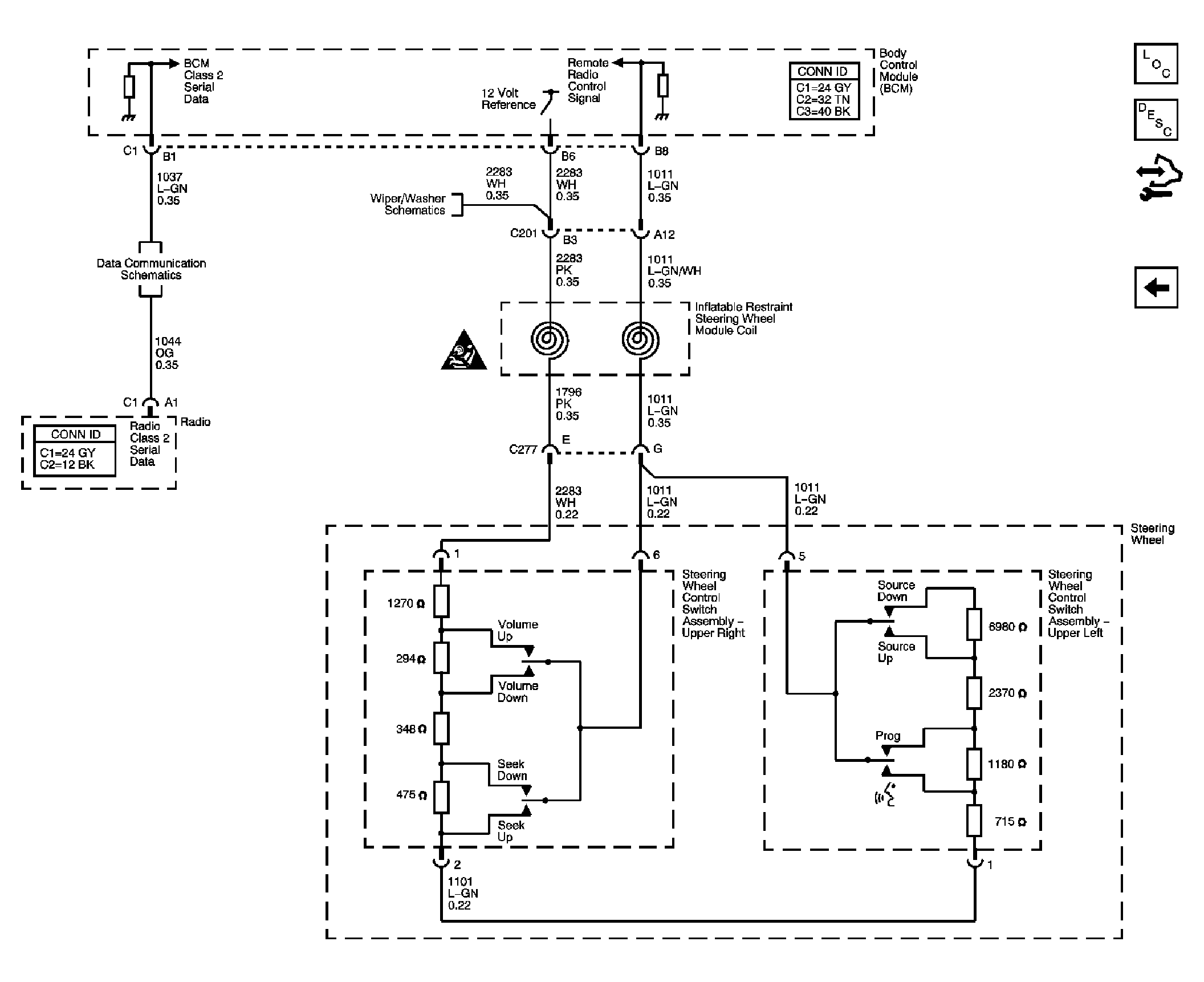
Fig 7: Steering Wheel Controls Schematic - STW
GM1747715Courtesy of GENERAL MOTORS CORP.