LEMON Manuals: Even more car manuals for everyone
Home >> Isuzu >> 2007 >> Ascender 4WD >> Repair and Diagnosis >> External Pages >> Different car >> Section 439 (Cellular System, Entertainment System & Navigation System) >> Schematic and Routing Diagrams >> Radio/Navigation System Schematics

Radio/Navigation System Schematics

WARNING: This page is about a different car, the 2009 GMC Envoy and 2009 Chevrolet TrailBlazer. However, it is still accessible from the selected car via links, so may be relevant.
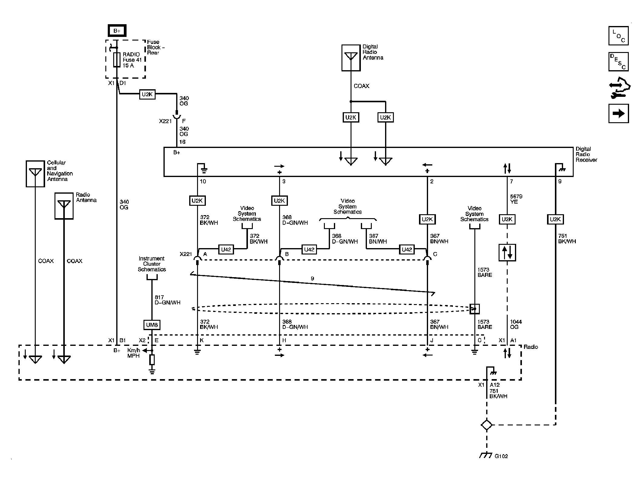
Fig 1: Power, Ground, Serial Data, and Digital Radio Receiver
GM2081519Courtesy of GENERAL MOTORS CORP.
Fig 2: Base Radio - without Rear Seat Audio Controls
GM2081522Courtesy of GENERAL MOTORS CORP.
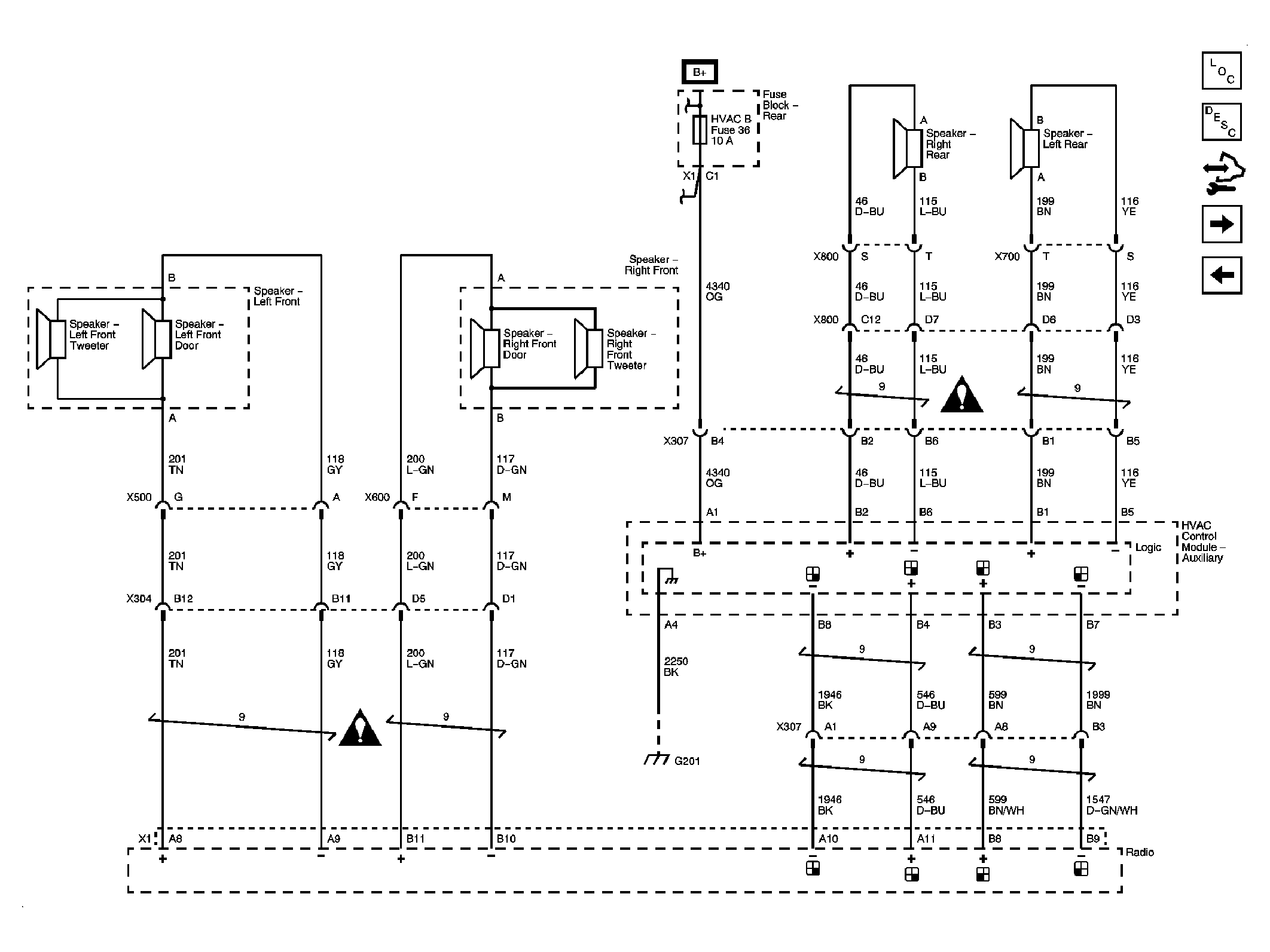
Fig 3: Base Radio - with Rear Seat Audio Controls
GM2081524Courtesy of GENERAL MOTORS CORP.
Fig 4: Audio Amplifier Power, Grounds, and Premium Radio Low Level Audi Outputs without Rear Seat Audio Controls
GM2081529Courtesy of GENERAL MOTORS CORP.
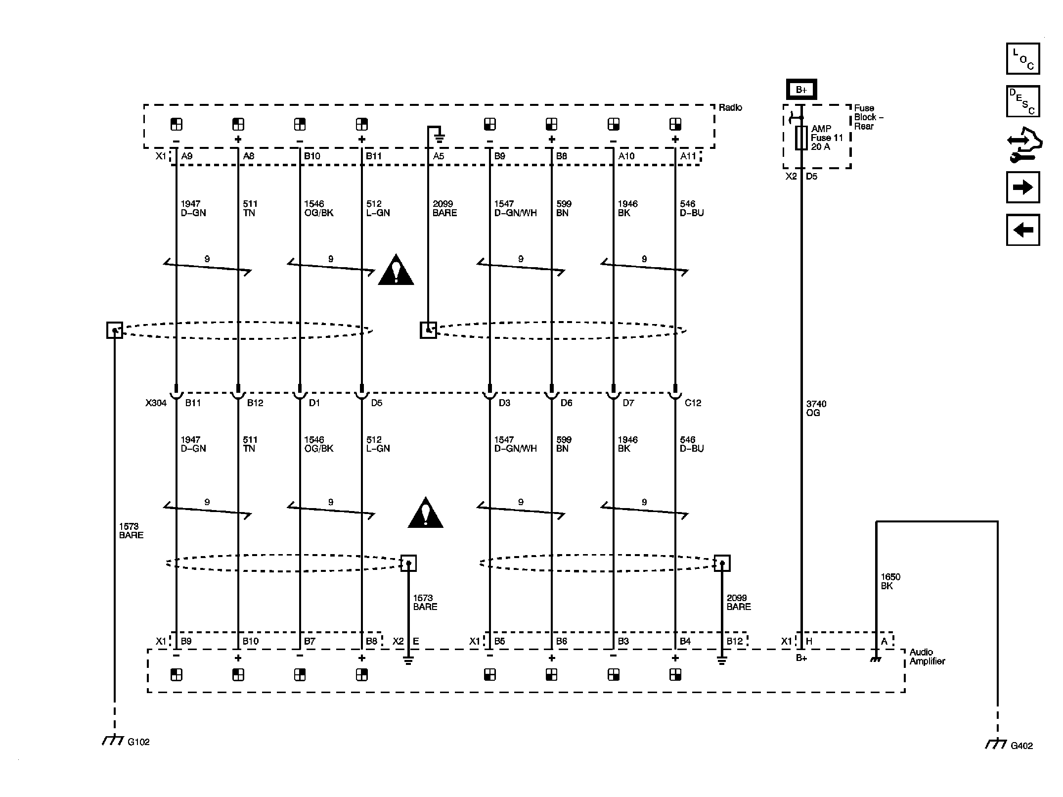
Fig 5: Audio Amplifier Power, Grounds, and Premium Radio Low Level Audi Outputs with Rear Seat Audio Controls
GM2081529Courtesy of GENERAL MOTORS CORP.
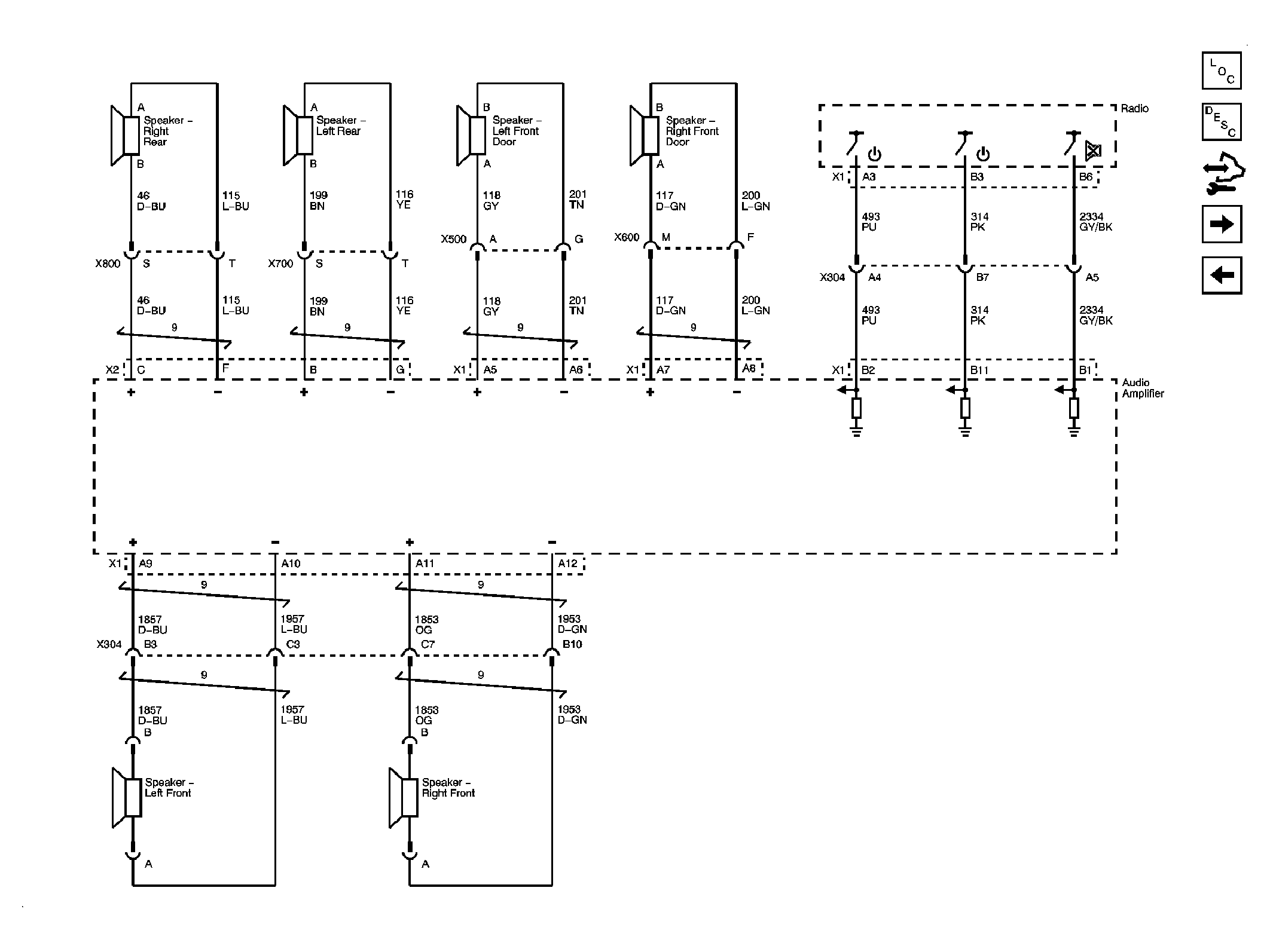
Fig 6: Premium Radio Amplifier Outputs
GM2081540Courtesy of GENERAL MOTORS CORP.
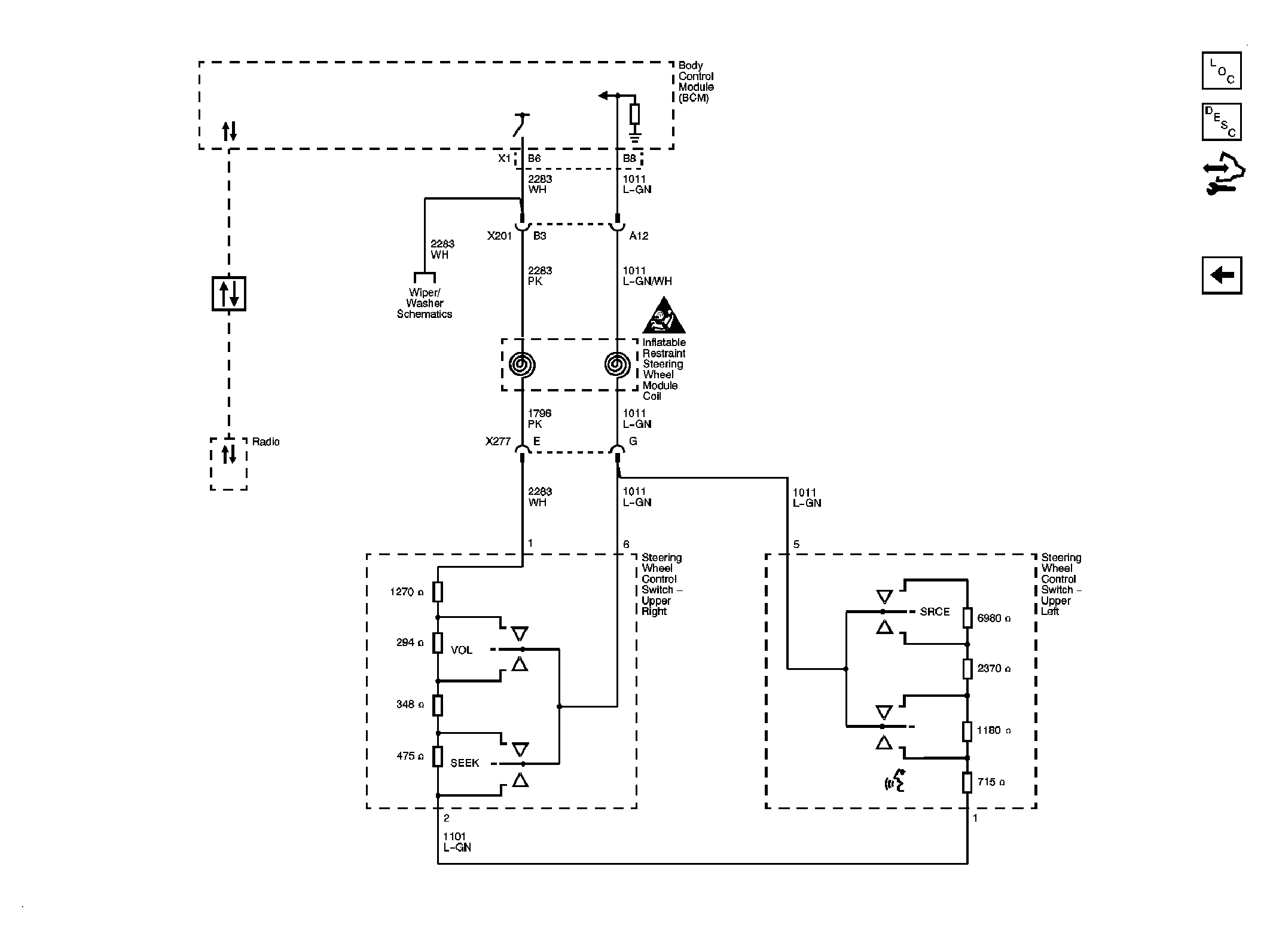
Fig 7: Steering Wheel Controls - STW
GM2081546Courtesy of GENERAL MOTORS CORP.