LEMON Manuals: Even more car manuals for everyone
Home >> Isuzu >> 2007 >> Ascender 4WD >> Repair and Diagnosis >> External Pages >> Different car >> Section 439 (Cellular System, Entertainment System & Navigation System) >> Schematic and Routing Diagrams >> OnStar Schematics

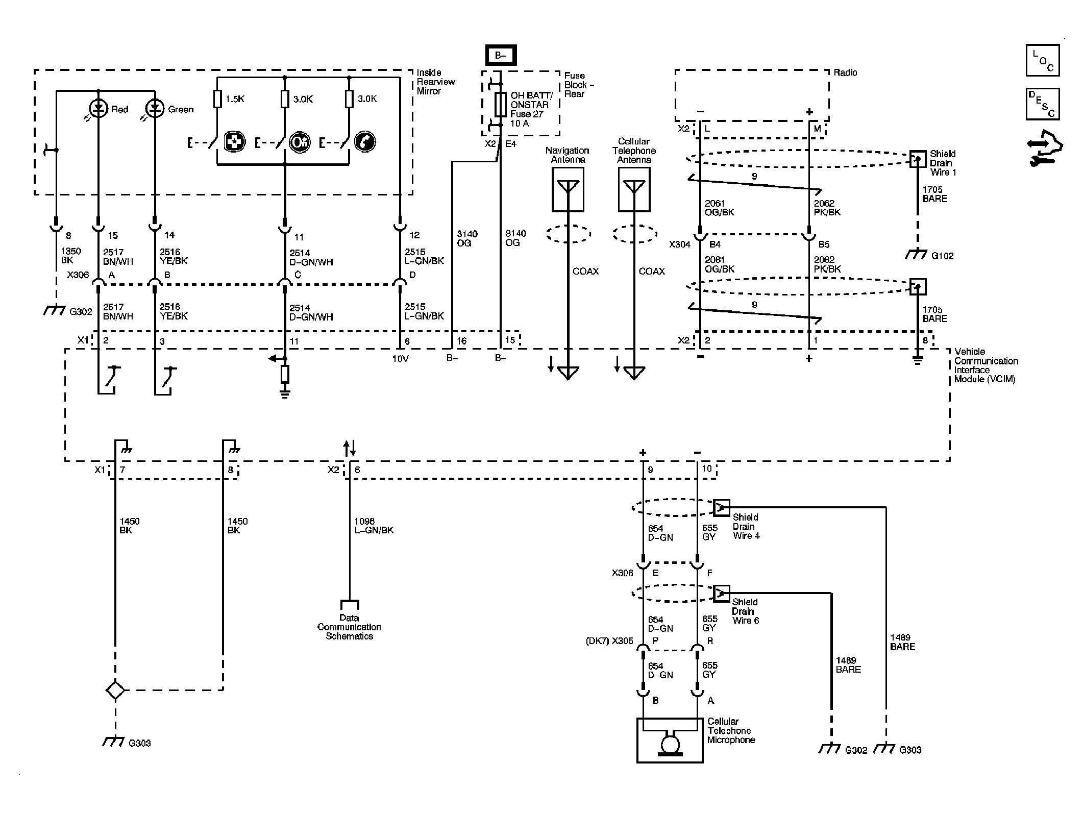
OnStar Schematics

WARNING: This page is about a different car, the 2009 GMC Envoy and 2009 Chevrolet TrailBlazer. However, it is still accessible from the selected car via links, so may be relevant.
Fig 1: OnStar
GM2081516Courtesy of GENERAL MOTORS CORP.