LEMON Manuals: Even more car manuals for everyone
Home >> Isuzu >> 2007 >> Ascender 4WD >> Repair and Diagnosis >> External Pages >> Different car >> Section 294 (Anti-Lock Brake System, Traction Control System & Stability Control System) >> Schematic & Routing Diagrams >> Antilock Brake System Schematics

Antilock Brake System Schematics

WARNING: This page is about a different car, the 2008 Isuzu Ascender, 2008 GMC Envoy, and 2008 Chevrolet TrailBlazer. However, it is still accessible from the selected car via links, so may be relevant.
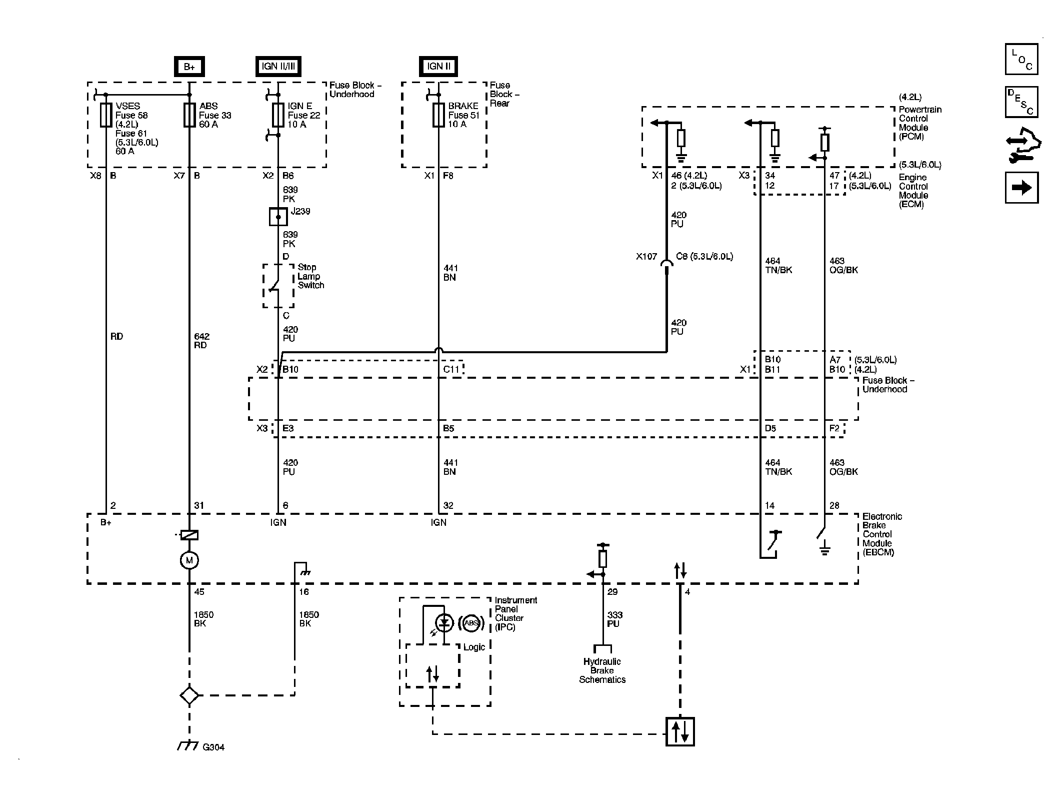
Fig 1: EBCM Power Ground, Serial Data, Indicator & Signal Circuits Schematic
GM1923487Courtesy of GENERAL MOTORS CORP.
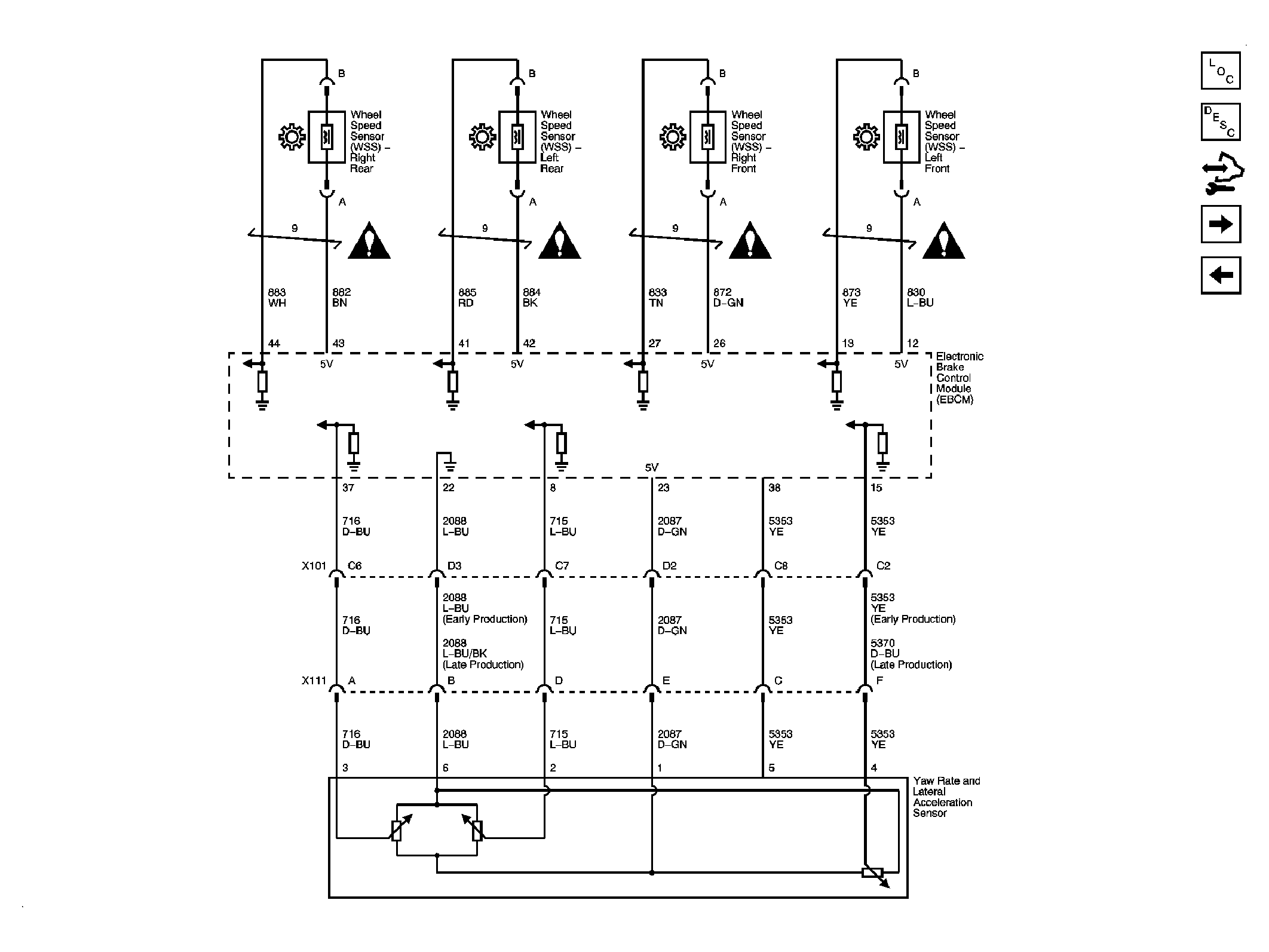
Fig 2: Wheel Speed Sensors & Yaw Rate/Lateral Acceleration Sensor Schematic
GM1923490Courtesy of GENERAL MOTORS CORP.
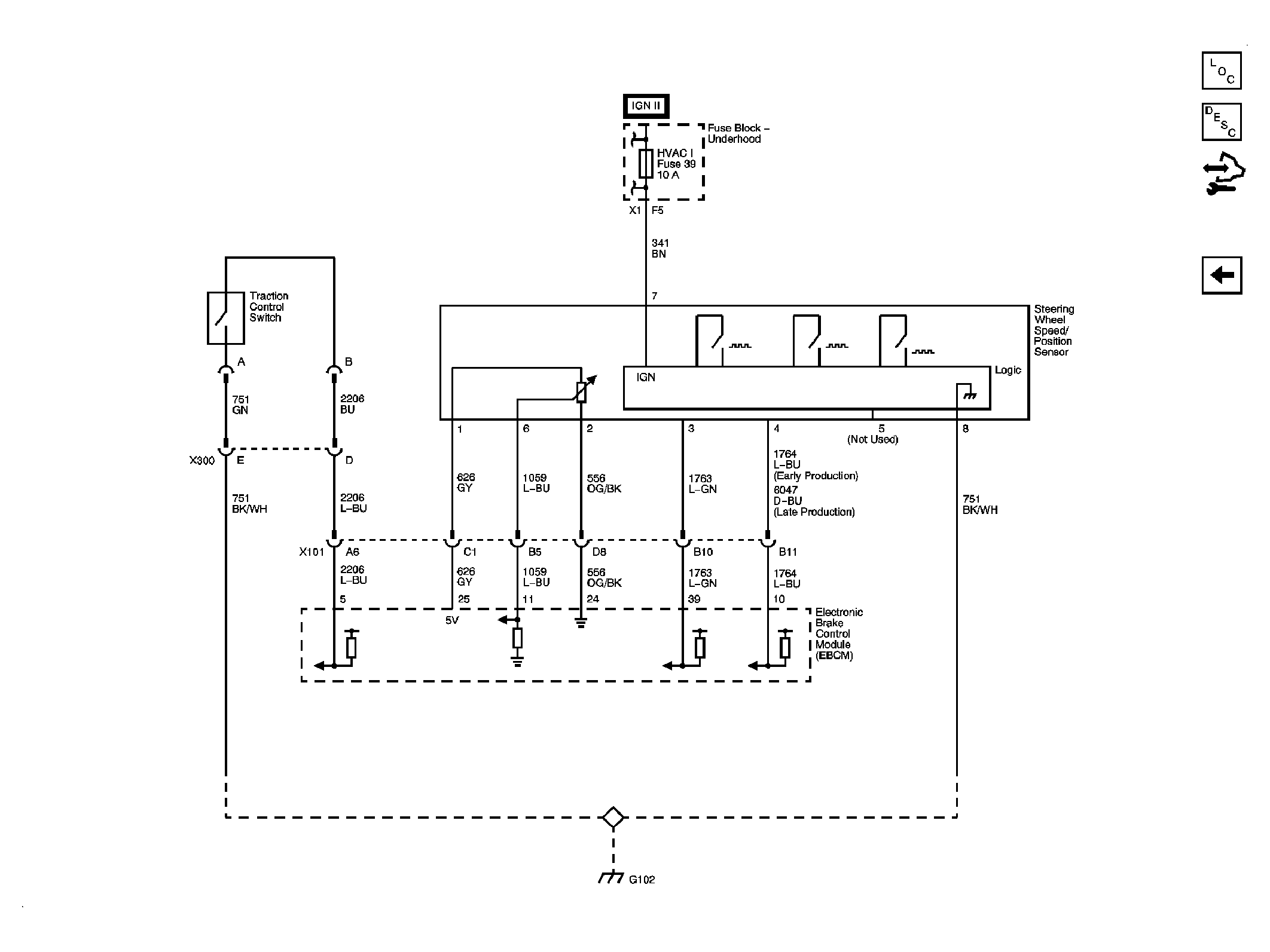
Fig 3: Steering Wheel Speed/Position Sensor & Traction Control Switch Schematic
GM1923491Courtesy of GENERAL MOTORS CORP.