LEMON Manuals: Even more car manuals for everyone
Home >> Isuzu >> 2007 >> Ascender 4WD >> Repair and Diagnosis >> External Pages >> Different car >> Section 275 (Keyless Entry System & Remote Functions) >> Schematic & Routing Diagrams >> Remote Function Schematics

Remote Function Schematics

WARNING: This page is about a different car, the 2008 Isuzu Ascender, 2008 GMC Envoy, and 2008 Chevrolet TrailBlazer. However, it is still accessible from the selected car via links, so may be relevant.
Fig 1: Keyless Entry Schematic
GM1923799Courtesy of GENERAL MOTORS CORP.
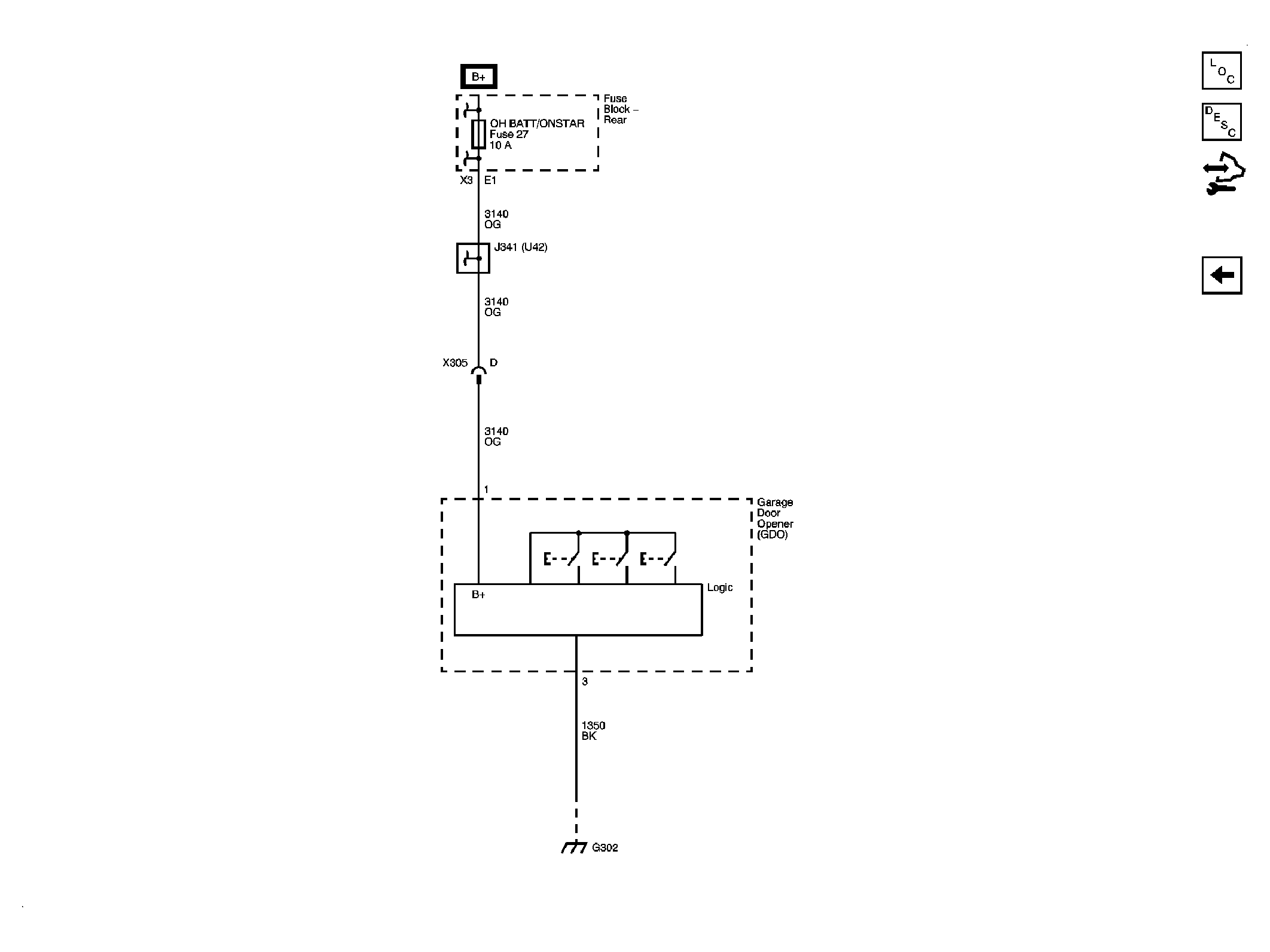
Fig 2: Garage Door Opener Schematic
GM1923803Courtesy of GENERAL MOTORS CORP.