LEMON Manuals: Even more car manuals for everyone
Home >> Isuzu >> 2007 >> Ascender 4WD >> Repair and Diagnosis >> External Pages >> Different car >> Section 263 (Cellular System, Entertainment System, And Navigation System) >> Schematic & Routing Diagrams >> Radio/Navigation System Schematics

Radio/Navigation System Schematics

WARNING: This page is about a different car, the 2008 Isuzu Ascender, 2008 GMC Envoy, and 2008 Chevrolet TrailBlazer. However, it is still accessible from the selected car via links, so may be relevant.
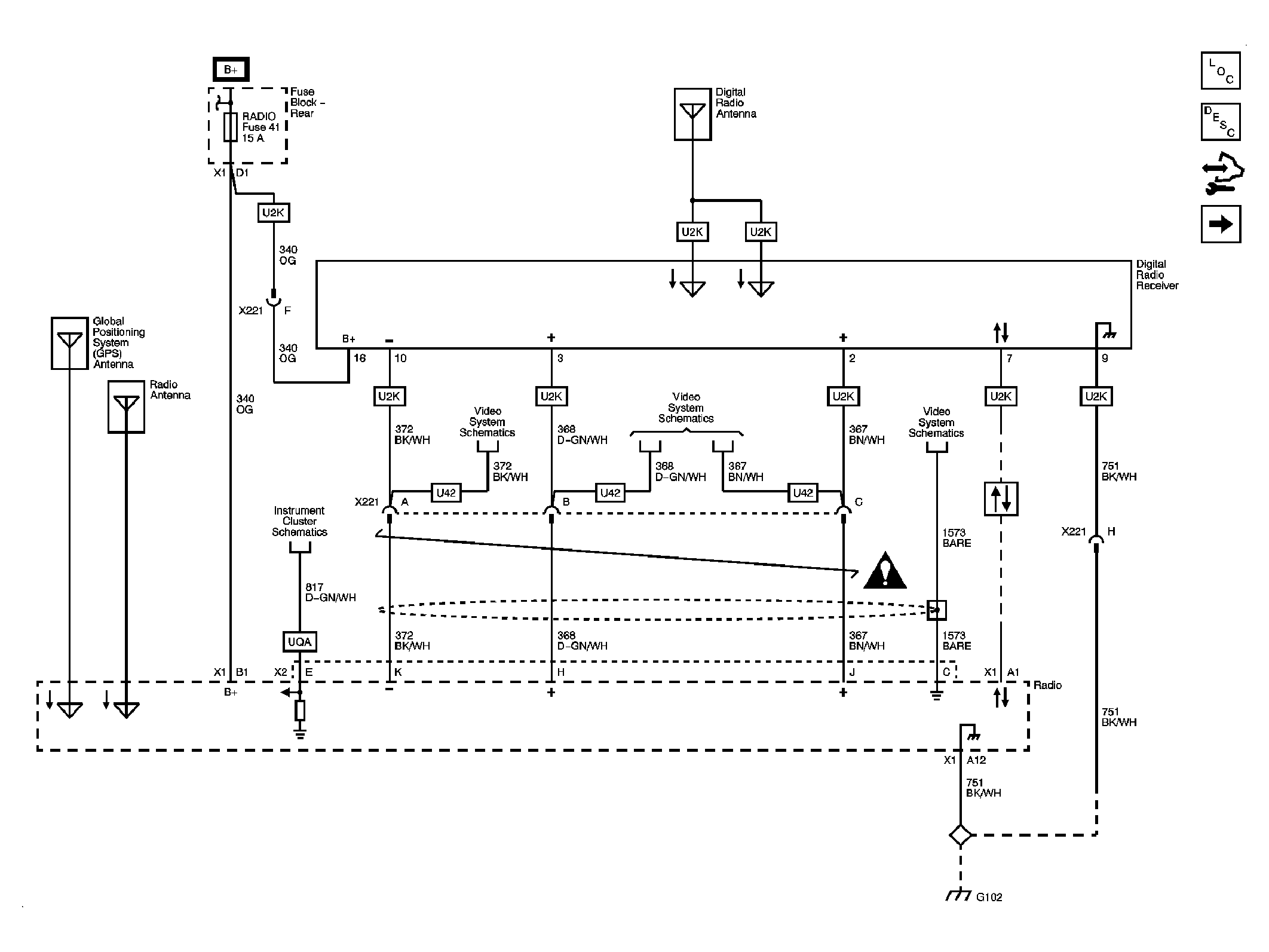
Fig 1: Power, Ground, Serial Data & Digital Radio Receiver Schematic
GM1923830Courtesy of GENERAL MOTORS CORP.
Fig 2: Base Radio - w/o Rear Seat Audio Controls Schematic
GM1923832Courtesy of GENERAL MOTORS CORP.
Fig 3: Base Radio - w/Rear Seat Audio Controls Schematic
GM1923835Courtesy of GENERAL MOTORS CORP.
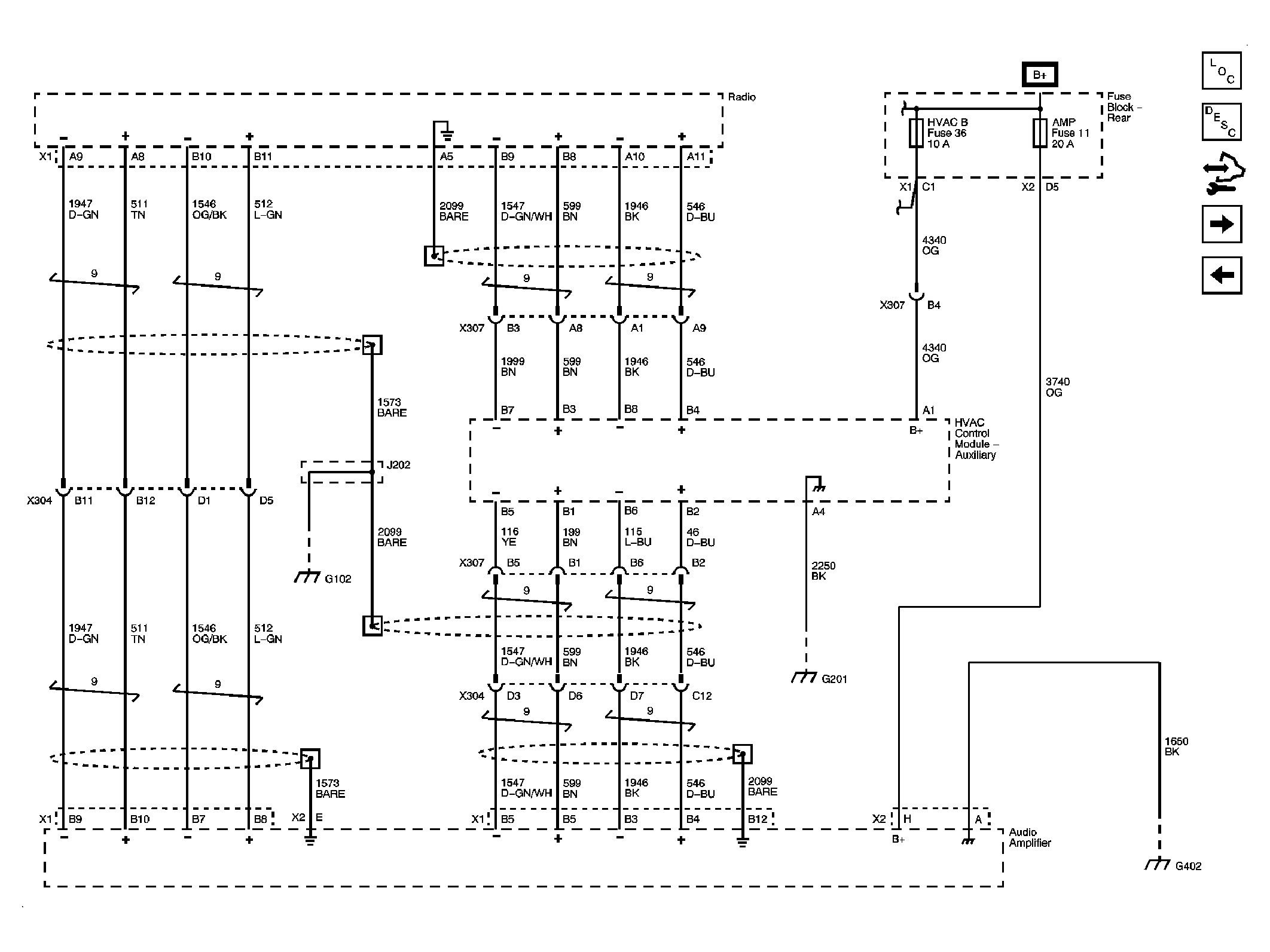
Fig 4: Audio Amplifier Power, Grounds & Premium Radio Low Level Audio Outputs w/o Rear Seat Audio Controls Schematic
GM1923838Courtesy of GENERAL MOTORS CORP.
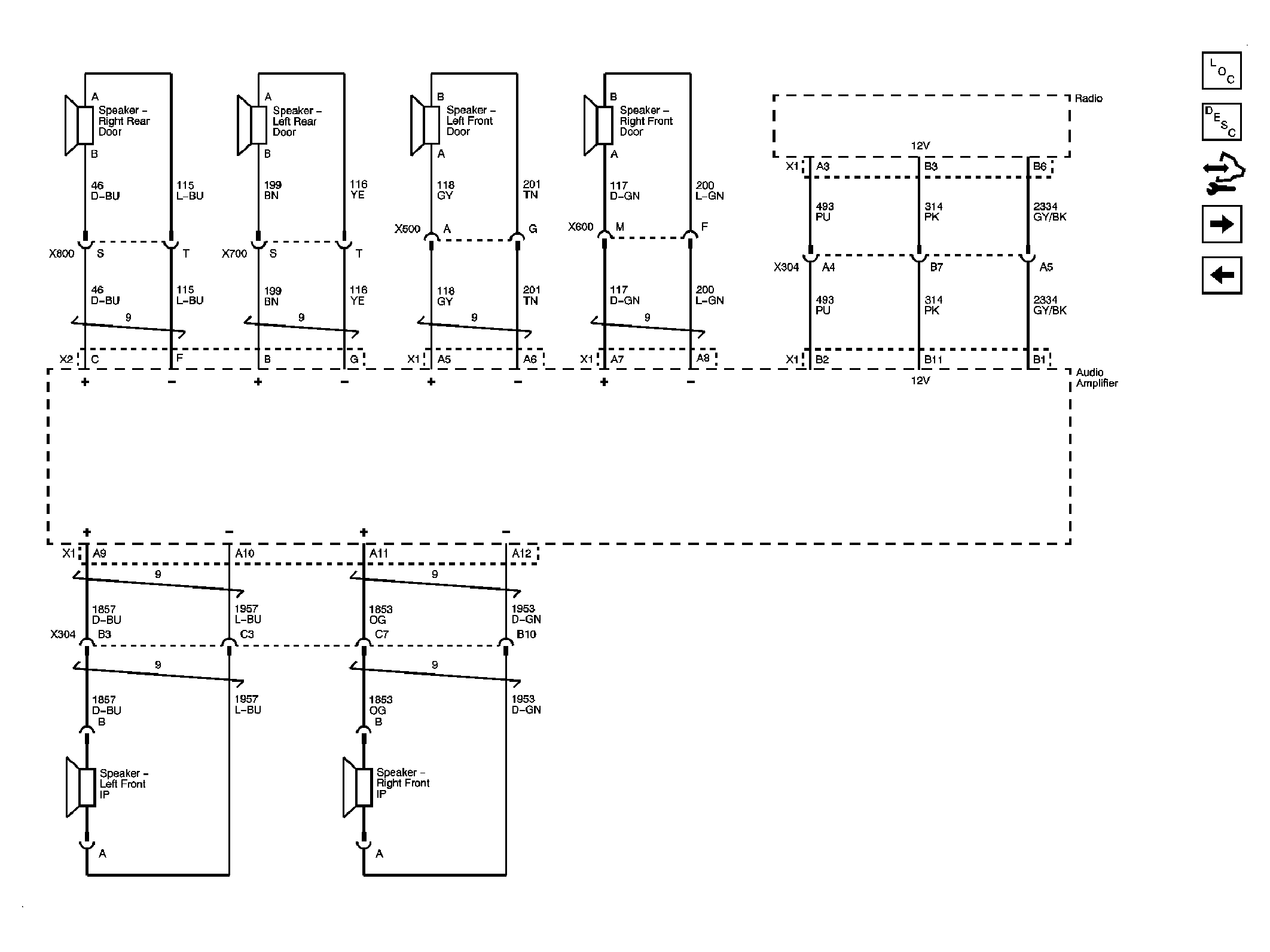
Fig 5: Audio Amplifier Power, Grounds & Premium Radio Low Level Audio Outputs w/Rear Seat Audio Controls Schematic
GM1923842Courtesy of GENERAL MOTORS CORP.
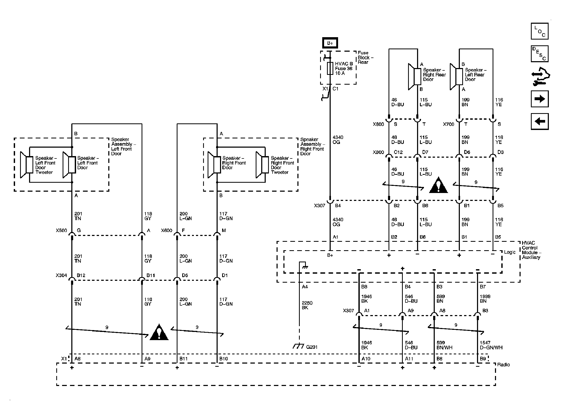
Fig 6: Premium Radio Amplifier Outputs Schematic
GM1923845Courtesy of GENERAL MOTORS CORP.
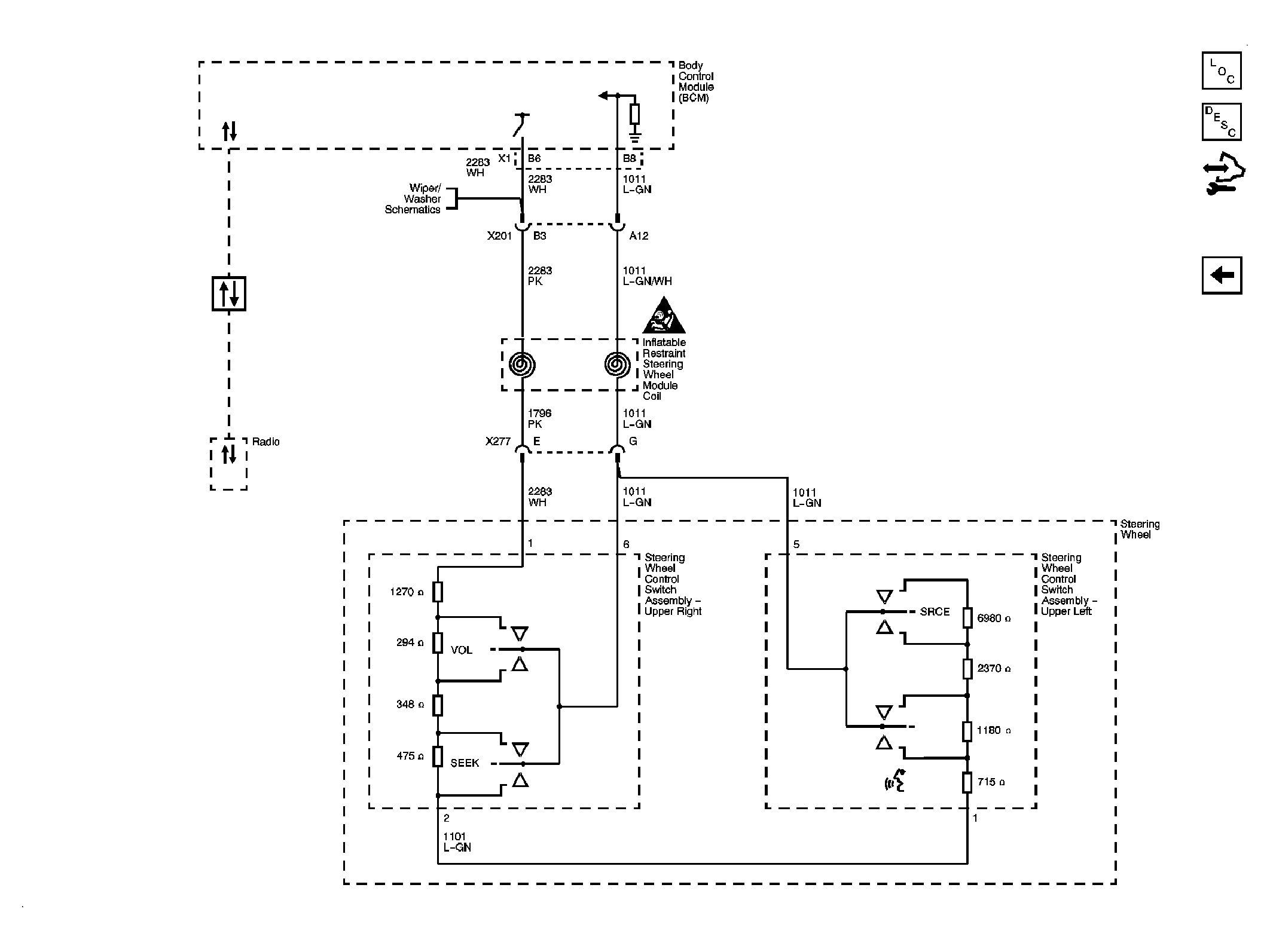
Fig 7: Steering Wheel Controls Schematic - STW
GM1923848Courtesy of GENERAL MOTORS CORP.