LEMON Manuals: Even more car manuals for everyone
Home >> Isuzu >> 2007 >> Ascender 4WD >> Repair and Diagnosis >> External Pages >> Different car >> Section 263 (Cellular System, Entertainment System, And Navigation System) >> Schematic & Routing Diagrams >> OnStar Schematics

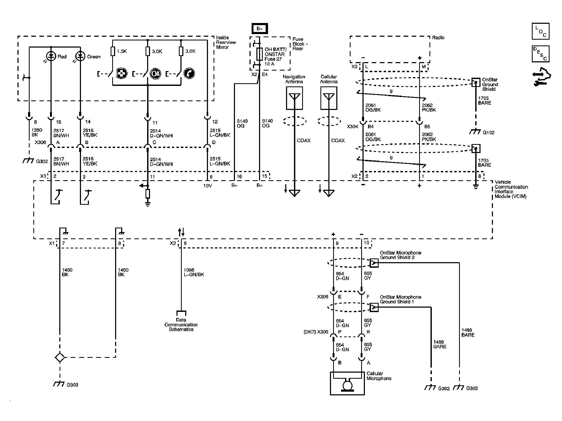
OnStar Schematics

WARNING: This page is about a different car, the 2008 Isuzu Ascender, 2008 GMC Envoy, and 2008 Chevrolet TrailBlazer. However, it is still accessible from the selected car via links, so may be relevant.
Fig 1: OnStar Schematic
GM1923828Courtesy of GENERAL MOTORS CORP.