LEMON Manuals: Even more car manuals for everyone
Home >> Isuzu >> 2007 >> Ascender 4WD >> Repair and Diagnosis >> External Pages >> Different car >> Section 189 (Remote Functions) >> Schematic and Routing Diagrams >> Remote Function Schematics

Remote Function Schematics

WARNING: This page is about a different car, the 2008 Saab 9-7X. However, it is still accessible from the selected car via links, so may be relevant.
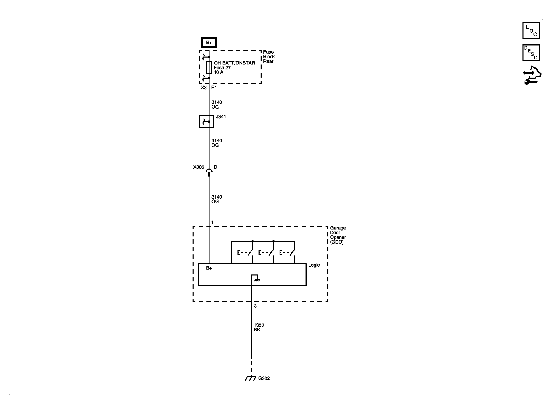
Fig 1: Remote Function Schematic
GM1927367Courtesy of GENERAL MOTORS CORP.