LEMON Manuals: Even more car manuals for everyone
Home >> Isuzu >> 2007 >> Ascender 4WD >> Repair and Diagnosis >> External Pages >> Different car >> Section 124 (Anti-Lock Brake System, Traction Control System & Stability Control System) >> Schematic and Routing Diagrams >> Antilock Brake System Schematics

Antilock Brake System Schematics

WARNING: This page is about a different car, the 2007 Pontiac Torrent and 2007 Chevrolet Equinox. However, it is still accessible from the selected car via links, so may be relevant.
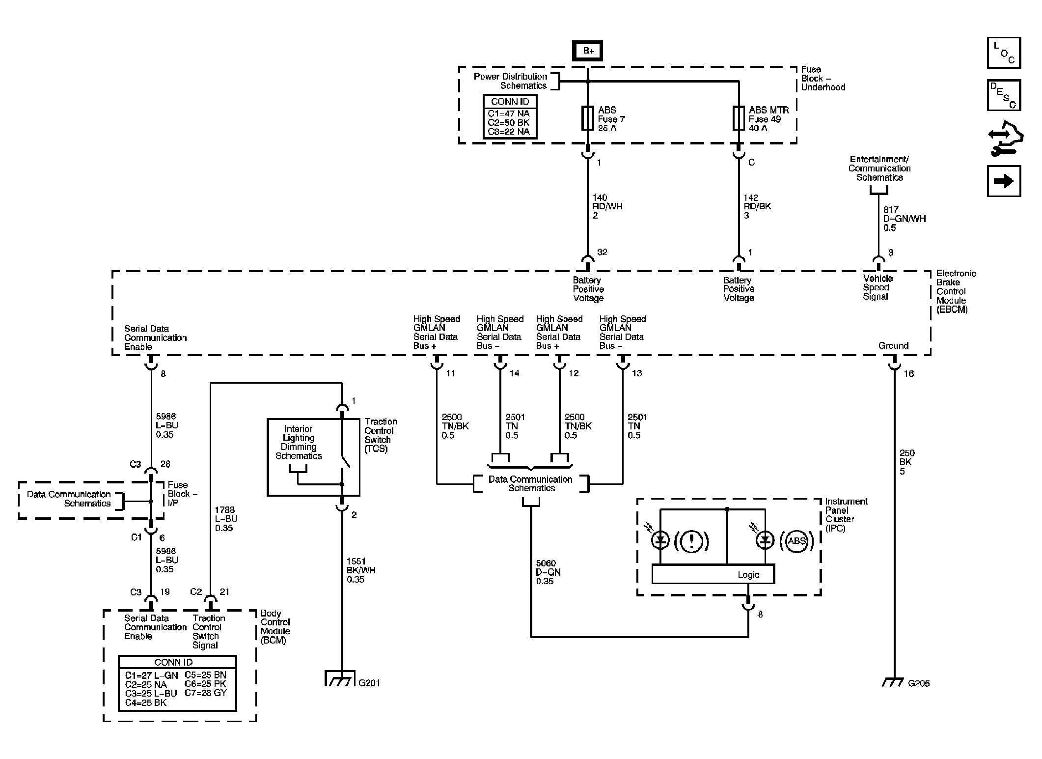
Fig 1: Serial Data, Traction Switch & Instrument Panel Schematic
GM1775690Courtesy of GENERAL MOTORS CORP.
Fig 2: Wheel Speed Sensor Schematic
GM1775691Courtesy of GENERAL MOTORS CORP.
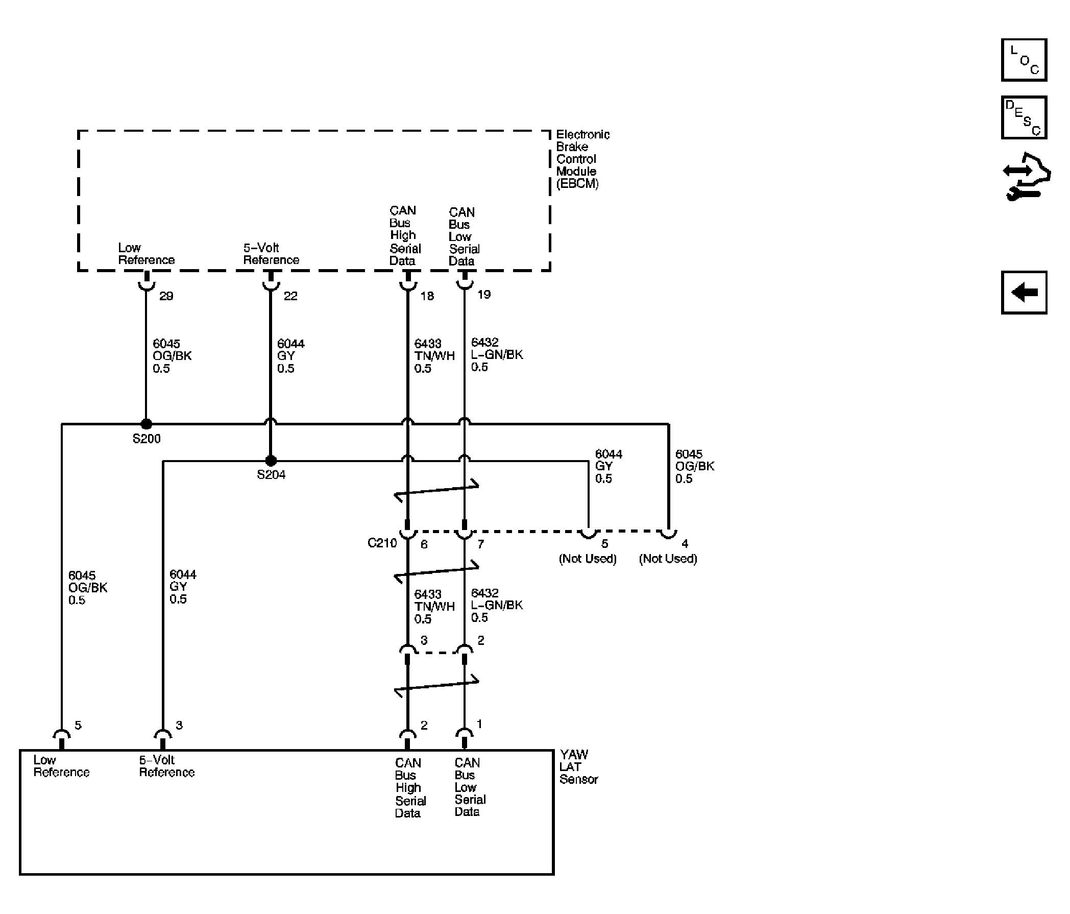
Fig 3: Yaw/Lateral Sensor Schematic
GM1775694Courtesy of GENERAL MOTORS CORP.